Operation CHARM: Car repair manuals for everyone.
Manuals through 2025 now available!

Our trusted friends have launched a new website named LEMON, which has newer manuals. It also contains all the CHARM manuals.

LEMON is the spiritual successor to CHARM, I recommend you try it!

Link: lemon-manuals.la or lemon-manuals.org.ua

(Some people have issue connecting. LEMON is investigating. For now, use Firefox or change your DNS server)

Or, hide this message: temporarily or permanently

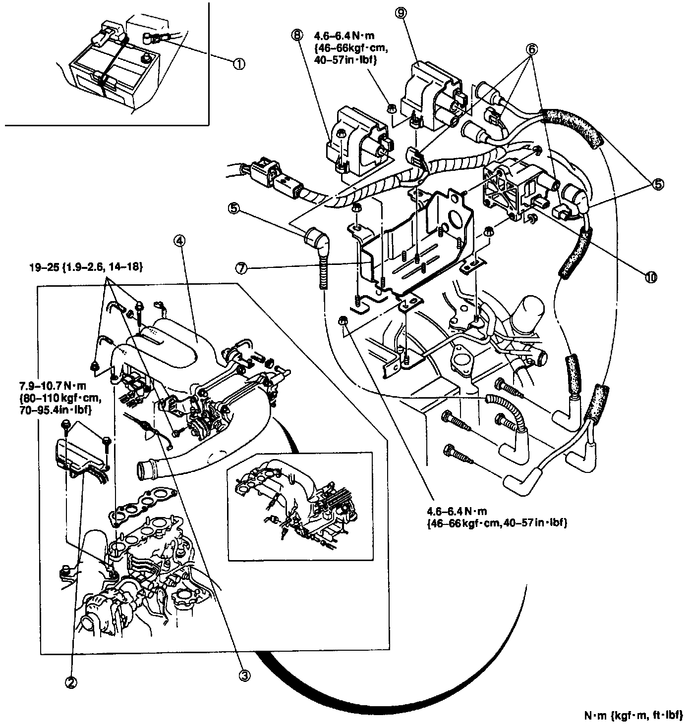
Ignition Coil: Service and Repair


Removal/Installation
1. Remove in the order shown in the figure.
2. Install in the reverse order of removal.




1. Battery negative cable
2. Pressure chamber
3. Accelerator cable
4. Extension manifold
5. High-tension lead
6. Connector
7. Ignition coil bracket
8. Ignition coil (Trailing No.1)
9. Ignition coil (Leading)
10. Ignition coil (Trailing No.2)