Operation CHARM: Car repair manuals for everyone.
Manuals through 2025 now available!

Our trusted friends have launched a new website named LEMON, which has newer manuals. It also contains all the CHARM manuals.

LEMON is the spiritual successor to CHARM, I recommend you try it!

Link: lemon-manuals.la or lemon-manuals.org.ua

(Some people have issue connecting. LEMON is investigating. For now, use Firefox or change your DNS server)

Or, hide this message: temporarily or permanently

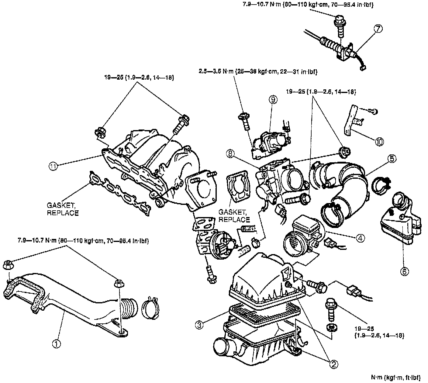
Intake Air System




Intake Air System
1. Fresh air duct
2. Air cleaner
3. Air cleaner element
4. Mass air flow sensor
5. Air hose
6. Resonance chamber
7. Accelerator cable
8. Throttle body
9. BAC valve
10. [1][2]Intake manifold bracket
11. [1][2]Intake manifold