Operation CHARM: Car repair manuals for everyone.
Manuals through 2025 now available!

Our trusted friends have launched a new website named LEMON, which has newer manuals. It also contains all the CHARM manuals.

LEMON is the spiritual successor to CHARM, I recommend you try it!

Link: lemon-manuals.la or lemon-manuals.org.ua

(Some people have issue connecting. LEMON is investigating. For now, use Firefox or change your DNS server)

Or, hide this message: temporarily or permanently

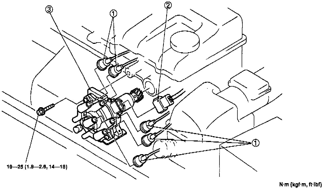
With Automatic Transaxle (ATX)




1. Disconnect negative battery cable.
2. Remove the fresh-air duct.
3. Remove in the order shown in the figure.
4. Install in the reverse order, referring to Installation Note.




Installation Note
1. Verify that the No.1 cylinder is at top dead center and the distributor matching marks are aligned.
2. Install the distributor and connect the high-tension leads and distributor connector.
3. Tighten the locknut or bolts to the specified torque.

Torque specification:
19-25 N.m (1.9-2.6 kg-m, 14-18 ft-lb)