Operation CHARM: Car repair manuals for everyone.
Manuals through 2025 now available!

Our trusted friends have launched a new website named LEMON, which has newer manuals. It also contains all the CHARM manuals.

LEMON is the spiritual successor to CHARM, I recommend you try it!

Link: lemon-manuals.la or lemon-manuals.org.ua

(Some people have issue connecting. LEMON is investigating. For now, use Firefox or change your DNS server)

Or, hide this message: temporarily or permanently

Component Locations




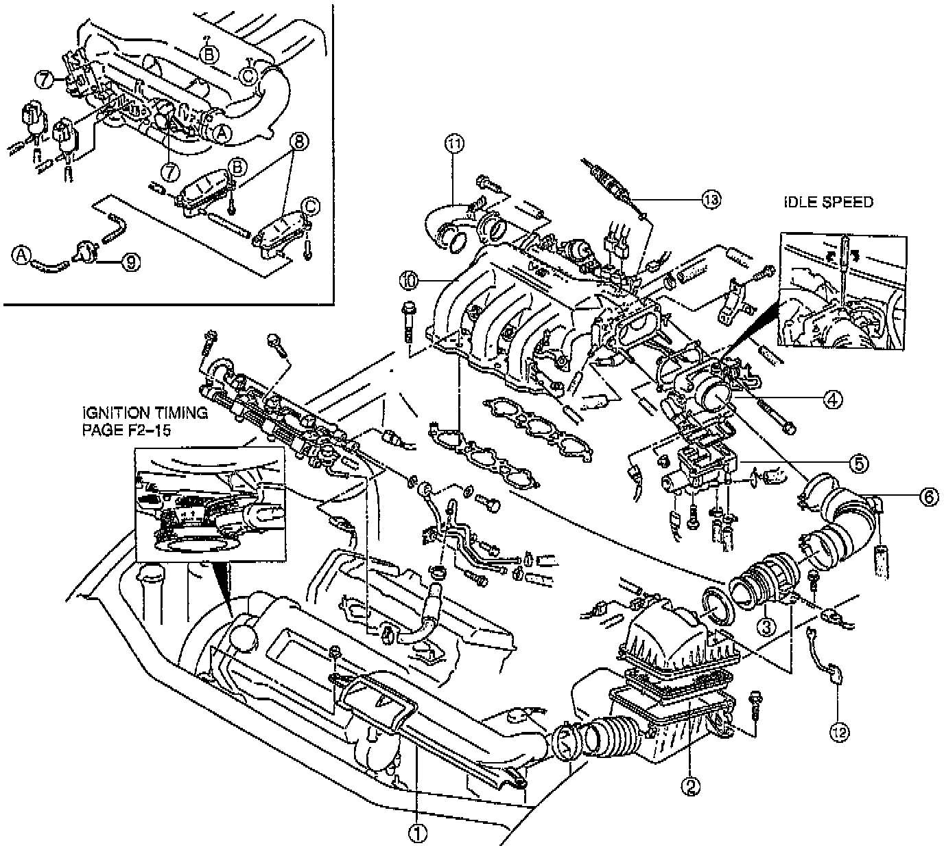
1. Fresh air duct
2. Air cleaner element
3. Volume air flow sensor
4. Throttle body
5. BAC valve
6. Air intake hose
7. VRIS shutter valve actuator (No.1, No.2)
8. Vacuum chamber
9. Check valve
10. Intake manifold
11. Air intake
12. Accelerator pedal
13. Accelerator cable




1. Fuel pump relay
2. Pressure regulator
3. Fuel Injector
4. VRIS solenoid valve (No. 1, No. 2)
5. PCV valve
6. Purge solenoid valve
7. Charcoal canister
8. Engine control module (ECM)
9. Volume air flow sensor (with intake air temperature sensor)
10. Throttle position sensor
11. EGR valve
12. Fuel filter (High pressure side)
13. Engine coolant temperature sensor
14. Crankshaft position sensor (NE signal)
15. Cam shaft position sensor (SGC signal)
16. Heated oxygen sensor
17. Knock sensor
18. Main relay
19. Power steering pressure switch
20. Clutch switch (MTX)
21. Neutral switch (MTX)
22. EGR valve position sensor
23. EGR solenoid valve (vacuum)
24. EGR solenoid valve (vent)
25. PRC solenoid valve




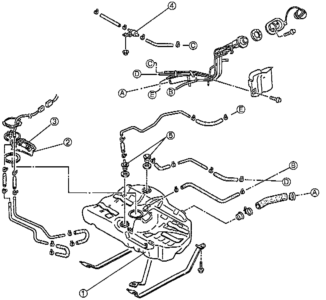
1. Fuel tank
2. Fuel filter (Low pressure side)
3. Fuel pump
4. Check valve (Two-way)
5. Fuel vapor valve




1. Main silencer
2. Pre silencer
3. Three way catalytic converter
4. Front pipe
5. Insulator
6. Exhaust manifold/Warm up three way catalytic converter
7. EGR pipe