Operation CHARM: Car repair manuals for everyone.
Manuals through 2025 now available!

Our trusted friends have launched a new website named LEMON, which has newer manuals. It also contains all the CHARM manuals.

LEMON is the spiritual successor to CHARM, I recommend you try it!

Link: lemon-manuals.la or lemon-manuals.org.ua

(Some people have issue connecting. LEMON is investigating. For now, use Firefox or change your DNS server)

Or, hide this message: temporarily or permanently

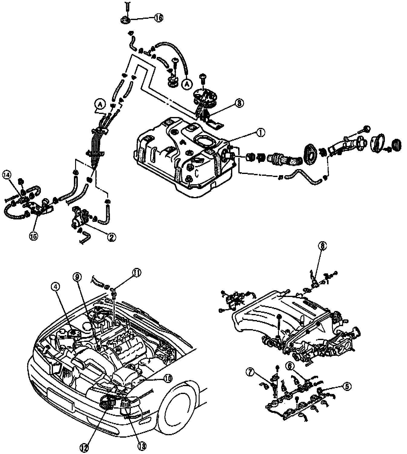
Fuel Filter: Locations



Fuel Filter Location






1. Fuel Tank
2. Fuel Filter
3. Fuel Pump
4. Fuel Pump Relay
5. Pulsation Damper
6. Pressure Regulator
7. Injector
8. Cold Start Injector
9. Cold Start Thermoswitch
10. Cold Start Injector Relay
11. PCV Valve
12. Purge Solenoid Valve
13. Charcoal Canister
14. Check Valve (two-way)
15. Check Valve (three-way)
16. Fuel Vapor Valve