Operation CHARM: Car repair manuals for everyone.
Manuals through 2025 now available!

Our trusted friends have launched a new website named LEMON, which has newer manuals. It also contains all the CHARM manuals.

LEMON is the spiritual successor to CHARM, I recommend you try it!

Link: lemon-manuals.la or lemon-manuals.org.ua

(Some people have issue connecting. LEMON is investigating. For now, use Firefox or change your DNS server)

Or, hide this message: temporarily or permanently

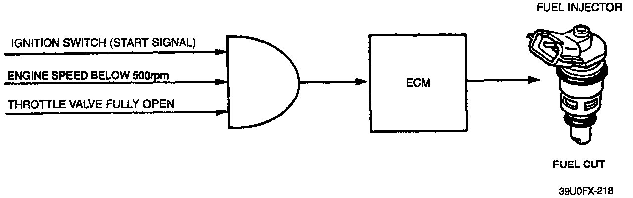
Dechoke Control System

SYSTEM OVERVIEW


View: System Relational Diagram:





Fuel injection is cut if the throttle valve is held wide open while cranking the engine. This allows the spark plugs to dry and purges excess fuel from the cylinders.

SYSTEM INSPECTION
1. Verify that the engine does not start when cranked with the throttle valve fully open.
2. If the engine starts, inspect the throttle position sensor and the engine control module (ECM) terminal 10 voltage.