Operation CHARM: Car repair manuals for everyone.
Manuals through 2025 now available!

Our trusted friends have launched a new website named LEMON, which has newer manuals. It also contains all the CHARM manuals.

LEMON is the spiritual successor to CHARM, I recommend you try it!

Link: lemon-manuals.la or lemon-manuals.org.ua

(Some people have issue connecting. LEMON is investigating. For now, use Firefox or change your DNS server)

Or, hide this message: temporarily or permanently

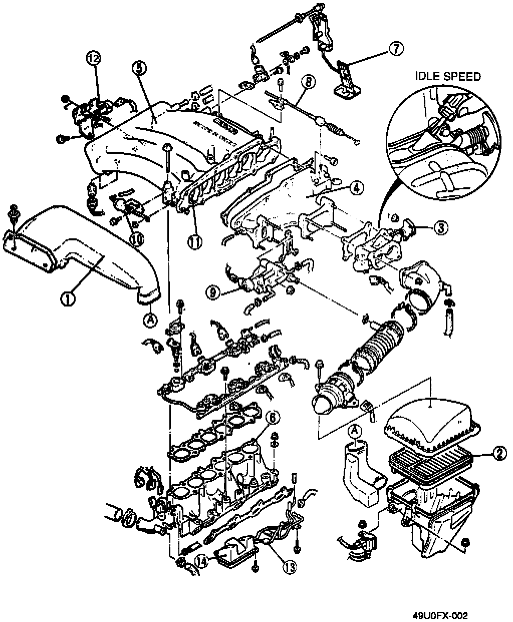
Intake Air System




1. Air duct
2. Air Cleaner Element
3. Throttle Body
4. Air Intake Pipe
5. Dynamic Chamber
6. Intake Manifold
7. Accelerator Pedal
8. Accelerator Cable
9. Bypass Air Control (BAC) Valve
10. Variable Inertia Charging System (VICS) Shutter Valve Actuator
11. (VICS) Shutter Valve
12. (VICS) Solenoid Valve
13. Check Valve
14. Vacuum Chamber