Operation CHARM: Car repair manuals for everyone.
Manuals through 2025 now available!

Our trusted friends have launched a new website named LEMON, which has newer manuals. It also contains all the CHARM manuals.

LEMON is the spiritual successor to CHARM, I recommend you try it!

Link: lemon-manuals.la or lemon-manuals.org.ua

(Some people have issue connecting. LEMON is investigating. For now, use Firefox or change your DNS server)

Or, hide this message: temporarily or permanently

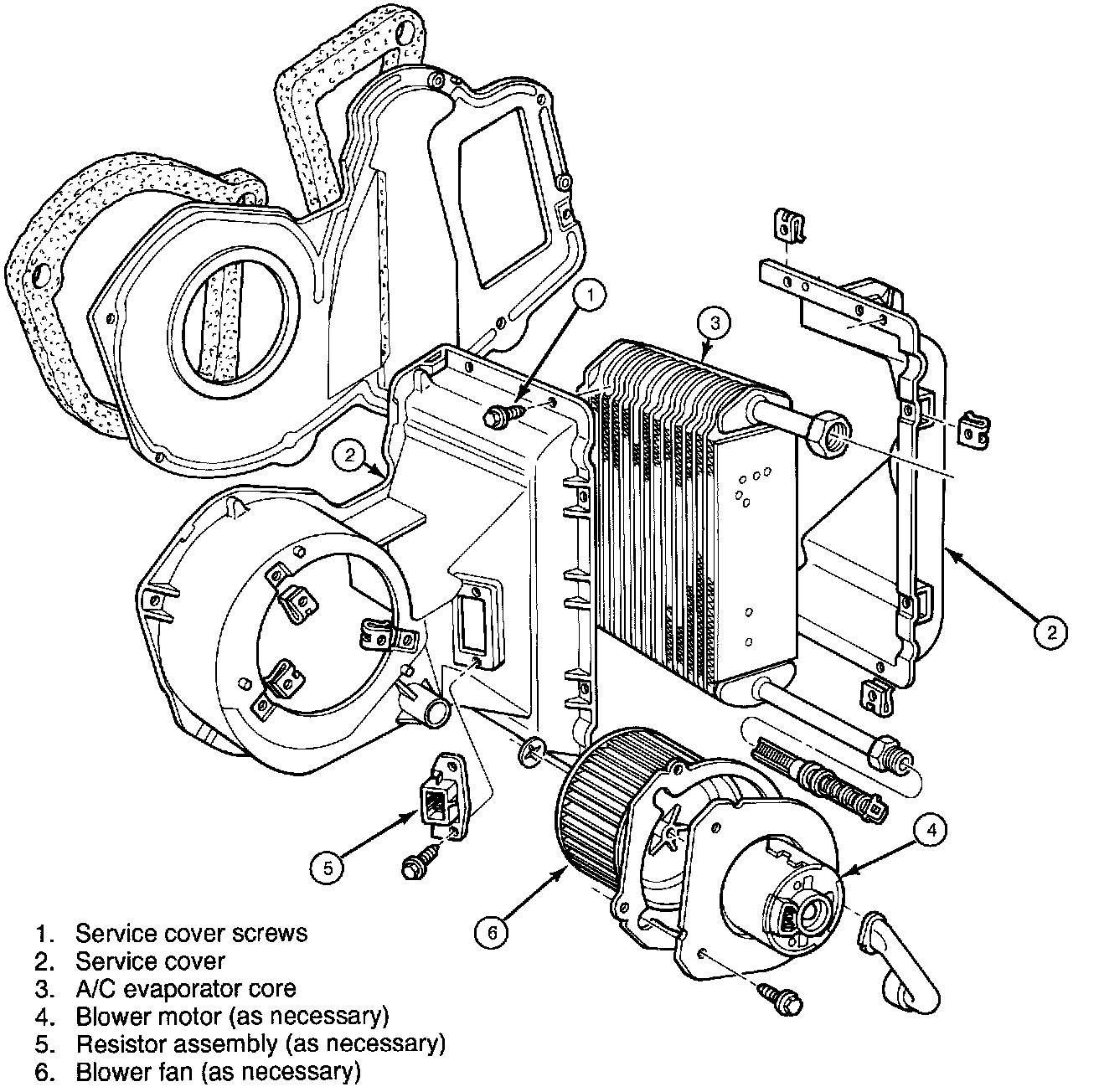
Evaporator Core: Service and Repair

Removal/Installation





Note: If evaporator is replaced, flush the system and replace the suction accumulator/drier.

1. Disconnect negative battery cable.
2. Discharge the refrigerant system.
3. Remove in the order shown in the figure.
4. Install in the reverse order of removal

Note:
^ The blower motor can be serviced without removing the evaporator assembly. To remove motor, remove cruise control servo bracket (if equipped) and 4 screws.
- After disconnecting line, cap the openings to prevent entry of dirt and moisture.


Disassembly/Assembly





- Disassemble and assemble the evaporator assembly as shown in the figure.

Note: Add 90 ml (3 oz.) of clean refrigerant oil directly into the condenser core after installation.