Operation CHARM: Car repair manuals for everyone.
Manuals through 2025 now available!

Our trusted friends have launched a new website named LEMON, which has newer manuals. It also contains all the CHARM manuals.

LEMON is the spiritual successor to CHARM, I recommend you try it!

Link: lemon-manuals.la or lemon-manuals.org.ua

(Some people have issue connecting. LEMON is investigating. For now, use Firefox or change your DNS server)

Or, hide this message: temporarily or permanently

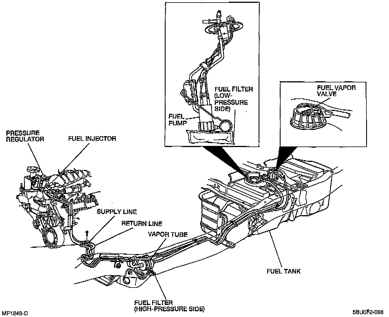
Fuel System




DESCRIPTION
This system supplies fuel to the fuel injectors at a constant pressure. Fuel is metered and injected into the intake manifold according to injection control signals from the PCM. This system consists of the fuel tank, fuel pump, fuel filters, pressure regulator, fuel injectors and fuel pump relay.