Operation CHARM: Car repair manuals for everyone.
Manuals through 2025 now available!

Our trusted friends have launched a new website named LEMON, which has newer manuals. It also contains all the CHARM manuals.

LEMON is the spiritual successor to CHARM, I recommend you try it!

Link: lemon-manuals.la or lemon-manuals.org.ua

(Some people have issue connecting. LEMON is investigating. For now, use Firefox or change your DNS server)

Or, hide this message: temporarily or permanently

Component Locations




INTAKE SYSTEM
1. Air cleaner element
2. Mass air flow sensor
3. Upper intake manifold / throttle
4. Air intake hose
5. Intake air temperature sensor
6. Accelerator pedal (not shown)
7. Accelerator cable (not shown)
8. Intake manifold (not shown)




CONTROL SYSTEM
1. Fuel pump relay (not shown)
2. Pressure regulator (not shown)
3. Injector (not shown)
4. Engine coolant temperature sensor
5. Powertrain control module (PCM)
6. Mass air flow sensor
7. Throttle position sensor
8. Camshaft position sensor (not shown)
9. PCM power relay (not shown)
10. Idle air control solenoid
11. Differential pressure feedback EGR sensor (not shown)
12. EGR vacuum regulator solenoid (not shown)
13. Intake air temperature sensor
14. A/C pressure switch
15. Wide open throttle A/C cutoff relay (not shown)
16. Evaporative emission (EVAP) canister purge solenoid (not shown)
17. Fuel filter (high-pressure) (not shown)
18. EGR valve (not shown)
19. PCV valve (not shown)
20. Evaporative emission canister (not shown)
21. Heated oxygen sensors (not shown)
22. Clutch pedal position switch (not shown)
23. Transmission range (TR) sensor (not shown)
24. Vehicle speed sensor (not shown)
25. Brake On/Off switch (not shown)




FUEL SYSTEM
1. Fuel tank
2. Fuel filter (low-pressure)
3. Fuel pump
4. Fuel vapor valve




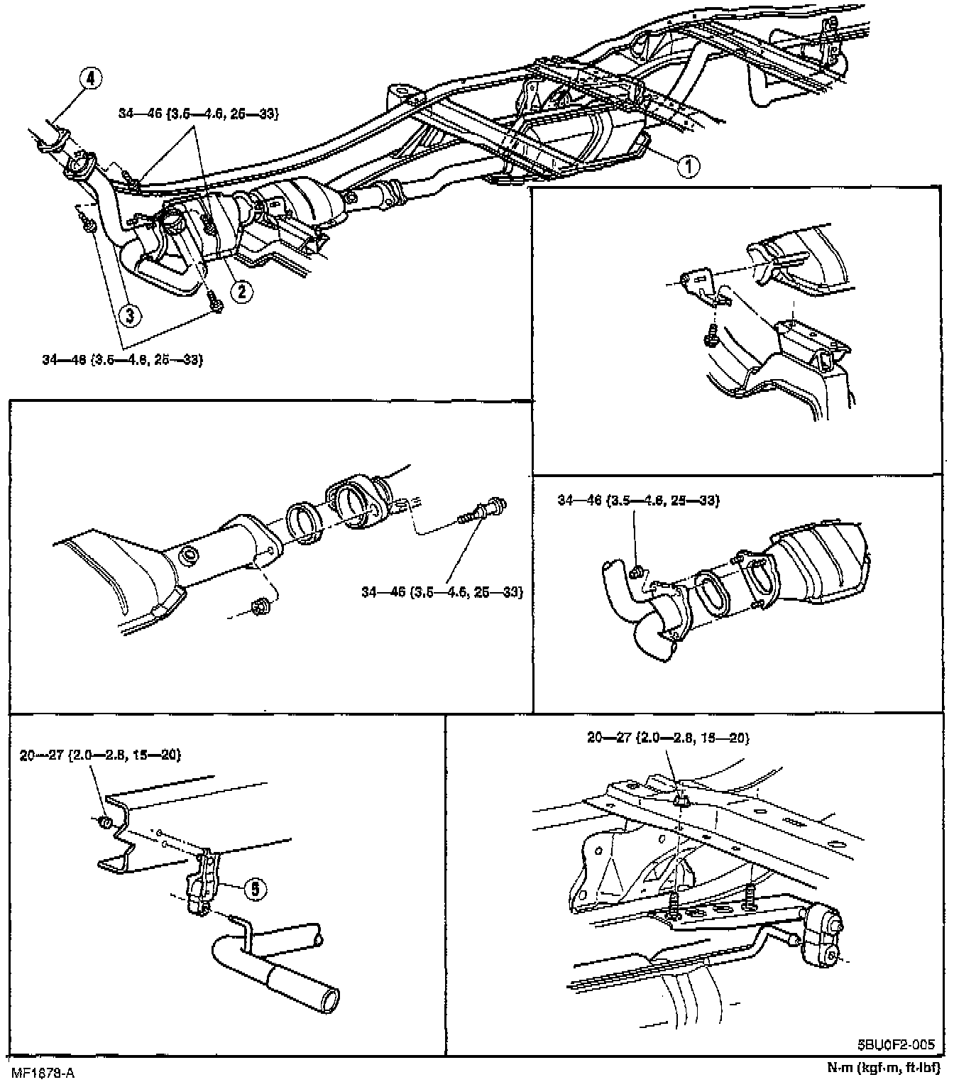
EXHAUST SYSTEM
1. Silencer
2. Three way catalytic converter
3. Front pipe assembly
4. Exhaust manifold