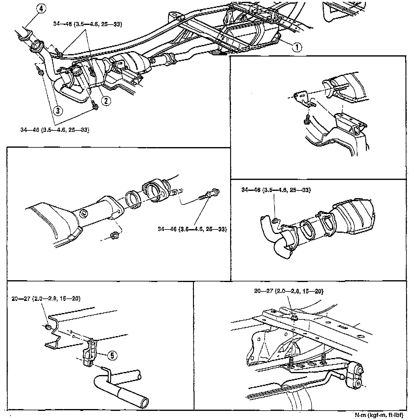
Exhaust System
Removal / Inspection / Installation1. Remove in the order shown in the figure, referring to Removal Note.
2. Check all parts and repair or replace if necessary.
3. Install in the reverse order of removal, referring to Installation Note.
1. Silencer
2. Three way catalytic converter
3. Front pipe assembly
4. Exhaust manifold
5. Rear bracket and insulator assembly
6. Center bracket and insulator assembly
7. Front bracket and insulator assembly
8. Silencer heat shield
REMOVAL NOTE
Rear bracket and insulator assembly
1. Remove the silencer.
2. Remove the rivet which attaches the bracket and insulator assembly to the frame.
Silencer heat shield
1. Remove the band straps.
2. Remove the two screws and washer assembly which attach the heat shield to the rear of the silencer.
Exhaust manifold
Left
1. Remove the oil level dipstick tube support bracket.
2. Remove the power steering oil pump pressure and return hoses, if necessary.
3. Remove the exhaust manifold retaining bolts and studs.
4. Remove the exhaust manifold from the vehicle.
Right
1. Remove the heater hose support bracket.
2. Disconnect the heater hoses.
3. Remove the exhaust manifold retaining bolts and studs.
4. Remove the exhaust manifold from the vehicle.
INSTALLATION NOTE
Rear bracket and insulator assembly
1. Position the bracket and insulator assembly on the frame.
2. Attach the bracket and insulator assembly with a nut and bolt.
Tightening torque: 20-27 N-m (15-20 ft-lb)
Silencer heat shield
1. Position the heat shield under the silencer body.
2. Install two screws to the rear of the silencer.
Tightening torque: 16-23 N-m (12-17 ft-lb)
3. Start the band straps and tighten.
Tightening torque: 7 N-m (60 in-lb)
Exhaust manifold
Note: Lightly oil all bolts and stud threads before installation.
Left
1. Clean the mating surfaces of the exhaust manifold and cylinder head.
2. Position the manifold in place and tighten bolts and studs.
Tightening torque: 27 N-m (20 ft-lb)
3. Connect the power steering oil pump pressure and return hoses, if removed.
4. Install the oil level dipstick tube support bracket. Apply the appropriate sealant to the end of the tube to prevent an oil leak at the block.
Right
1. Clean the mating surfaces of the exhaust manifold and cylinder head.
2. Position the manifold in place and tighten the bolts and studs.
Tightening torque: 27 N-m (20 ft-lb)
3. Install the heater hose support bracket.
4. Connect the heater hoses.
5. Fill and bleed the cooling system.