Operation CHARM: Car repair manuals for everyone.
Manuals through 2025 now available!

Our trusted friends have launched a new website named LEMON, which has newer manuals. It also contains all the CHARM manuals.

LEMON is the spiritual successor to CHARM, I recommend you try it!

Link: lemon-manuals.la or lemon-manuals.org.ua

(Some people have issue connecting. LEMON is investigating. For now, use Firefox or change your DNS server)

Or, hide this message: temporarily or permanently

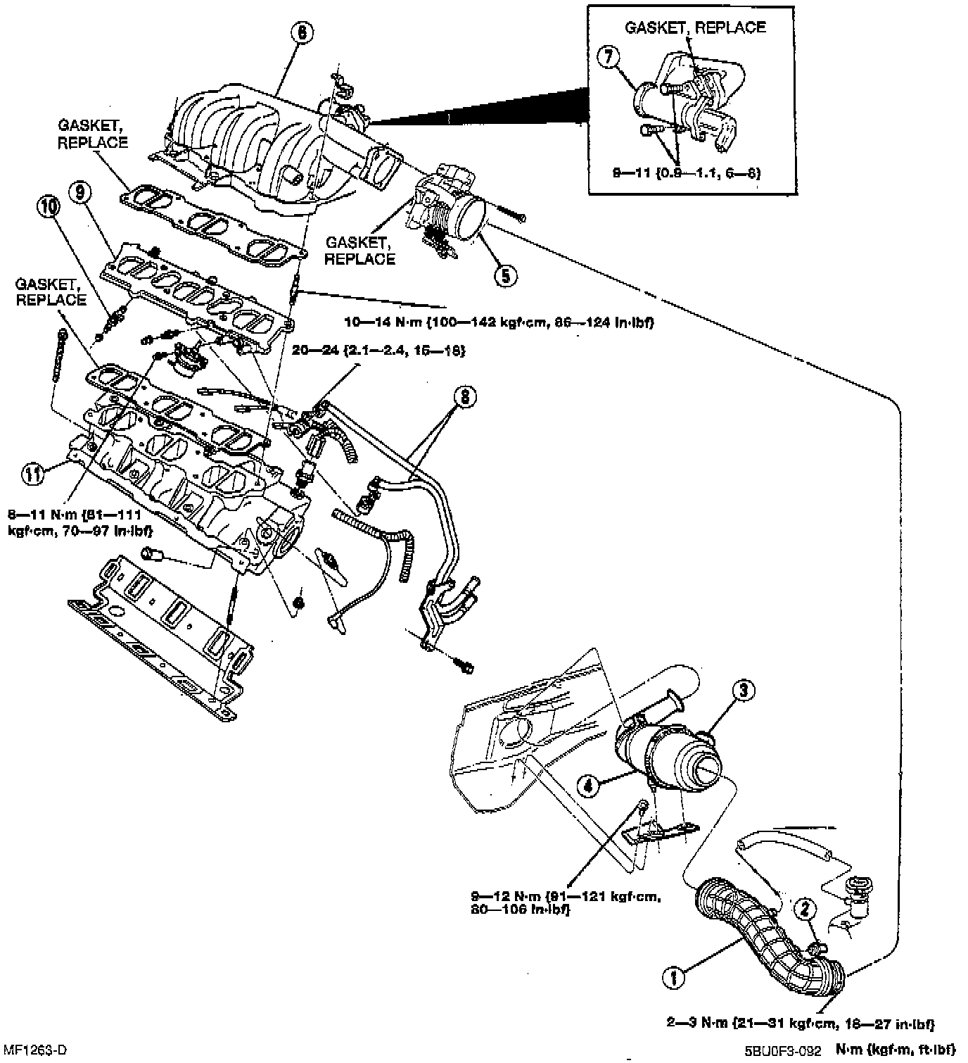
Intake Air System

REMOVAL / INSPECTION / INSTALLATION
1. Remove in the order shown in the figure, referring to Removal Note.
2. Inspect all parts and repair or replace as necessary.
3. Install in the reverse order of removal, referring to Installation Note.




1. Air intake hose
2. Intake air temperature (IAT) sensor
3. Mass air flow sensor
4. Air cleaner housing
5. Throttle body
6. Upper intake manifold
7. Idle air control (IAC) solenoid
8. Fuel lines
9. Fuel distributor
10. Fuel injector
11. Intake manifold

REMOVAL NOTE
Intake manifold




1. Remove the ignition coil and the mounting bracket.
2. Remove the cylinder head covers.
3. Remove the intake manifold and discard the gasket.


INSTALLATION NOTE
Intake manifold




1. Apply the appropriate sealant to the intersection of the cylinder block and the cylinder head at the four corners as shown.
2. Install the new intake manifold gasket.
3. Apply the appropriate sealant to the intersection of the cylinder block and cylinder head at the four corners as in step 1.




4. Position the intake manifold with the aid of two guide studs located in position 3 and 4, and install the bolts hand-tight. Then remove the two guide studs and replace with bolts.




5. Tighten the bolts in three steps in the order shown.

Tightening torques:
Step 1: 4-8 N-m (3-6 ft-lb)
Step 2: 8-15 N-m (6-11 ft-lb)
Step 3: 15-18 N-m (11-13 ft-lb)


6. Install the cylinder head covers.

Tightening torque: 6-8 N-m (4.5-5.9 ft-lb)

7. Install the upper intake manifold and tighten the nuts.

Tightening torque: 20-25 N-m (15-18 ft-lb)




8. Install the ignition coil and mounting bracket.

Tightening torque: 26-32 N-m (19-24 ft-lb)