Operation CHARM: Car repair manuals for everyone.
Manuals through 2025 now available!

Our trusted friends have launched a new website named LEMON, which has newer manuals. It also contains all the CHARM manuals.

LEMON is the spiritual successor to CHARM, I recommend you try it!

Link: lemon-manuals.la or lemon-manuals.org.ua

(Some people have issue connecting. LEMON is investigating. For now, use Firefox or change your DNS server)

Or, hide this message: temporarily or permanently

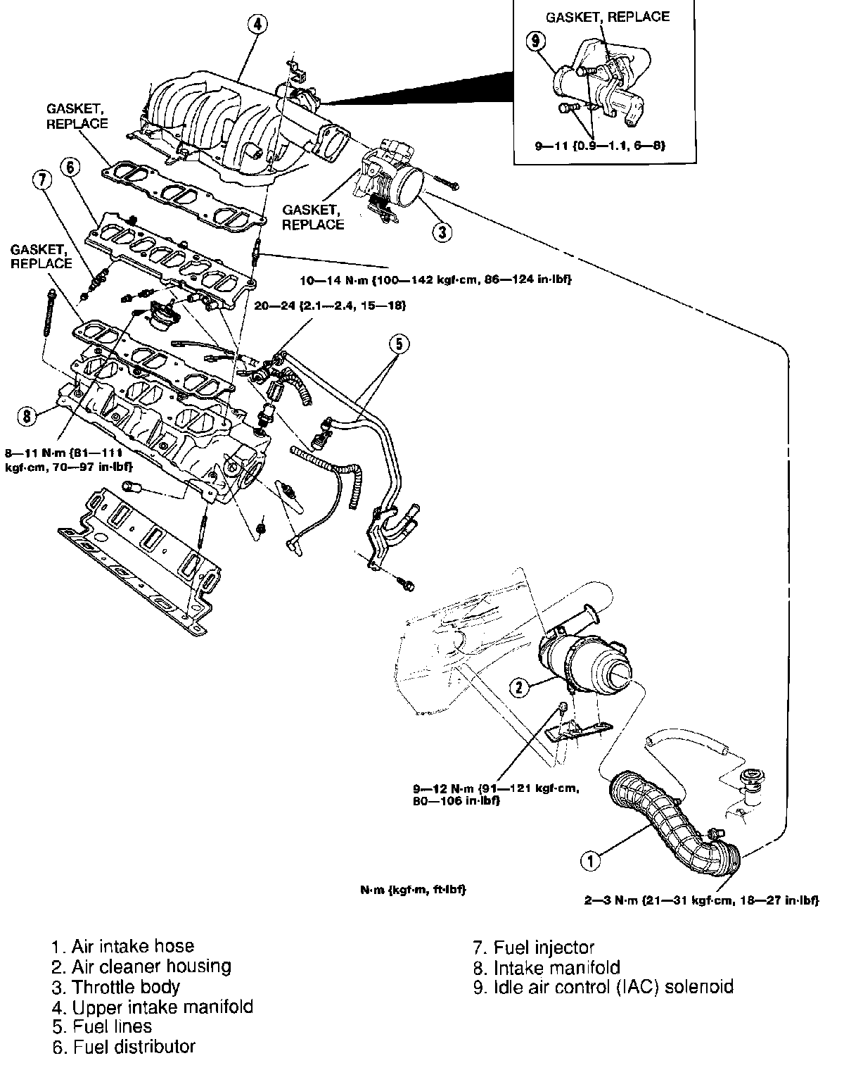
Torque Specifications

Intake:






Intake Torque Sequence:





Install and tighten the bolts in sequence in four steps.
1) Tighten to 2.5 Nm (22 inch lbs.).
2) Tighten to 10 Nm (88 inch lbs.).
3) Tighten to 13 Nm (115 inch lbs.).
4) Tighten to 14 - 18 Nm (11 - 13 ft. lbs.).


Exhaust Manifold Torque Sequence:






Upper Engine:






Head Torque Sequence:




Tighten the new cylinder head bolts in the order shown in the figure.

Tightening torque
1st Step 30-35 Nm (22-26 ft-lb)
2nd Step 70-75 Nm (52-56 ft-lb)
3rd Step Additional 90°


Valve Cover Torque Sequence:






Rocker Shaft Assemblies:






Timing Cover:






Timing Components:






Camshaft Bolt:






Vibration Dampner:






Timing Tensioner:






Crankshaft Bearing Caps:





Tighten the five bolts and the three studs in pairs in two steps:
1) Tighten to 35 Nm (25 ft. lbs.).
2) Tighten an additional 57 degrees.


Connecting Rod Nuts:





1) Tighten the nuts in pairs.


Oil Baffle:






Oil Pump Bolts:






Oil Filter Adapter:






Oil Pan:






Flex Plate (A/T) Torque/Sequence:






Flywheel (M/T) Torque/Sequence: