Operation CHARM: Car repair manuals for everyone.
Manuals through 2025 now available!

Our trusted friends have launched a new website named LEMON, which has newer manuals. It also contains all the CHARM manuals.

LEMON is the spiritual successor to CHARM, I recommend you try it!

Link: lemon-manuals.la or lemon-manuals.org.ua

(Some people have issue connecting. LEMON is investigating. For now, use Firefox or change your DNS server)

Or, hide this message: temporarily or permanently

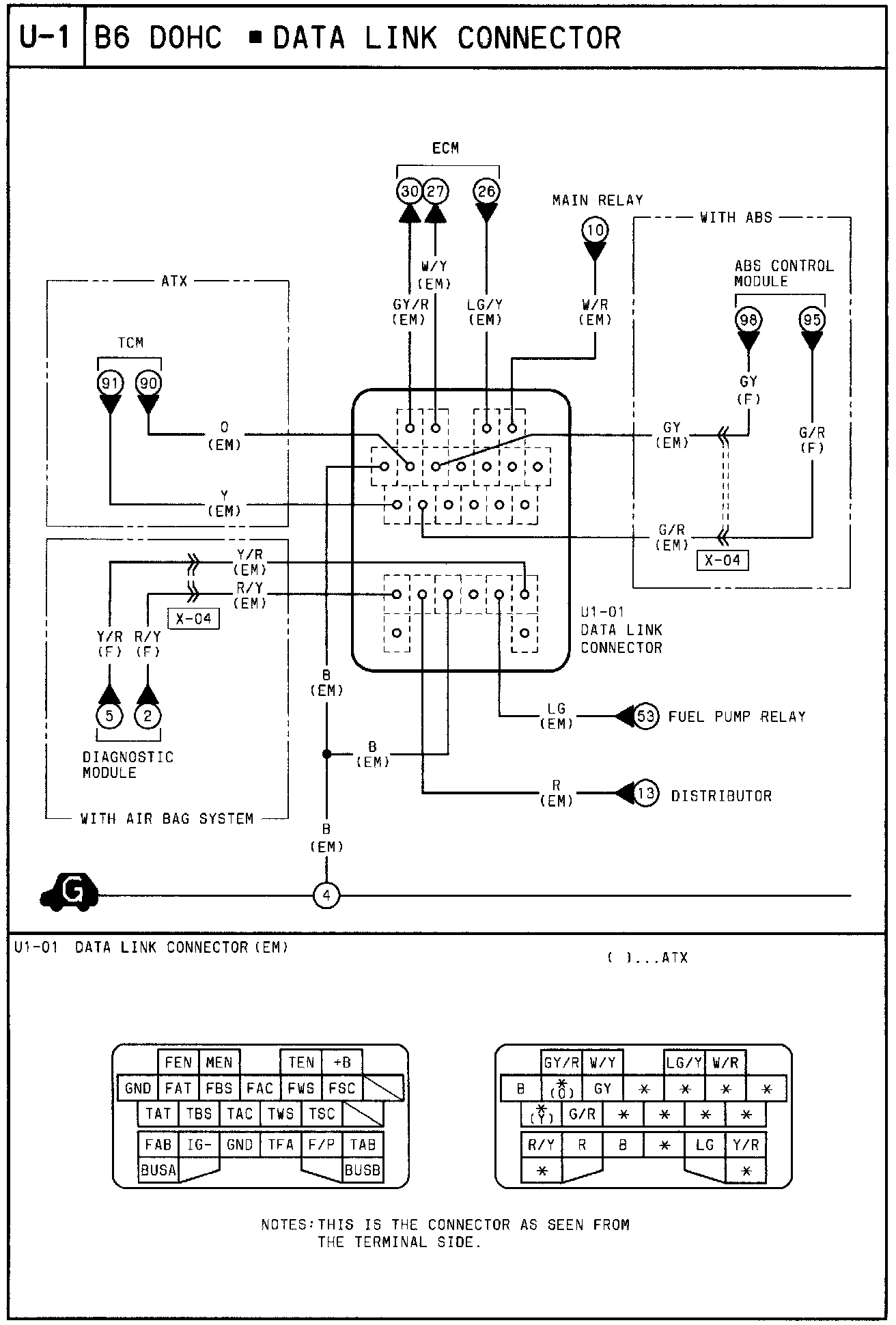
Data Link Connector: Description and Operation

PURPOSE
The data link connector (DLC) provides a means of interfacing with several vehicle systems for trouble shooting purposes and/or facilitating certain system adjustments.


View: Special Service Tools:





OPERATION
The DLC facilitates various functions through a combination of terminal connections and/or the use of special service tools (SST).

View: Data Link Connector:





CONSTRUCTION
The DLC is a concentrated group of 21 pin terminals that stem from various systems.