Operation CHARM: Car repair manuals for everyone.
Manuals through 2025 now available!

Our trusted friends have launched a new website named LEMON, which has newer manuals. It also contains all the CHARM manuals.

LEMON is the spiritual successor to CHARM, I recommend you try it!

Link: lemon-manuals.la or lemon-manuals.org.ua

(Some people have issue connecting. LEMON is investigating. For now, use Firefox or change your DNS server)

Or, hide this message: temporarily or permanently

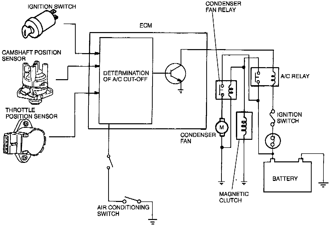
A/C Cut-Off Control System


View: System Relational Diagram:





PURPOSE
An A/C cut-off system is used to improve idle smoothness after just starting the engine and to improve acceleration performance.

OPERATION
After engine has been started
The A/C is cut-off for 4 Sec. just after the engine is started.

Acceleration
The A/C is cut-off upon wide-open-throttle acceleration for approx. 10 Sec.