Operation CHARM: Car repair manuals for everyone.
Manuals through 2025 now available!

Our trusted friends have launched a new website named LEMON, which has newer manuals. It also contains all the CHARM manuals.

LEMON is the spiritual successor to CHARM, I recommend you try it!

Link: lemon-manuals.la or lemon-manuals.org.ua

(Some people have issue connecting. LEMON is investigating. For now, use Firefox or change your DNS server)

Or, hide this message: temporarily or permanently

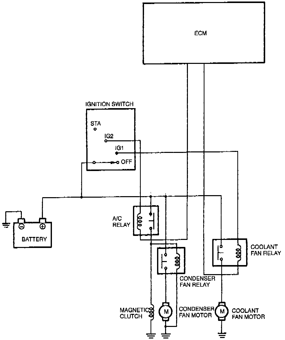
Coolant Fan Control System


View: System Relational Diagram:





PURPOSE
The engine control module (ECM) controls the (radiator) coolant fan and the (A/C) condenser fan to provide more efficient fan control. This improves the performance reliability and stability during idling of an engine.


View: System Operation Chart:





OPERATION
Coolant Fan
The coolant fan system is OK if it starts to operate with the data link connector TEN terminal grounded and the accelerator pedal is depressed (Ignition switch ON).

Condenser Fan
The condenser fan operates when A/C is ON and stops operating when A/C cut-off control is executed.


CONSTRUCTION
The coolant fan is a one speed design type.