Operation CHARM: Car repair manuals for everyone.
Manuals through 2025 now available!

Our trusted friends have launched a new website named LEMON, which has newer manuals. It also contains all the CHARM manuals.

LEMON is the spiritual successor to CHARM, I recommend you try it!

Link: lemon-manuals.la or lemon-manuals.org.ua

(Some people have issue connecting. LEMON is investigating. For now, use Firefox or change your DNS server)

Or, hide this message: temporarily or permanently

EC-AT Control System

%�FPart 1 Of 3 B-1A:



�tFPart 2 Of 3 B-1B:



)�FPart 3 Of 3 B-1C:



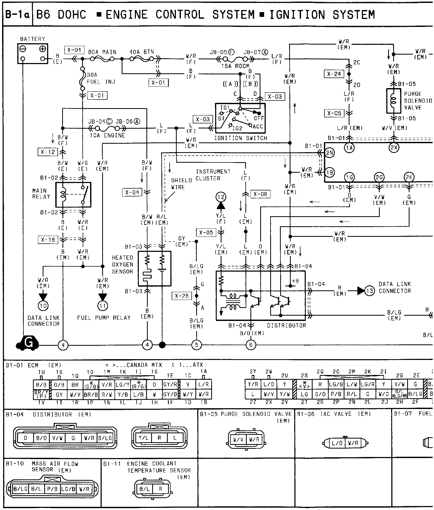
MNFEngine Control System, Ignition System B-1A:



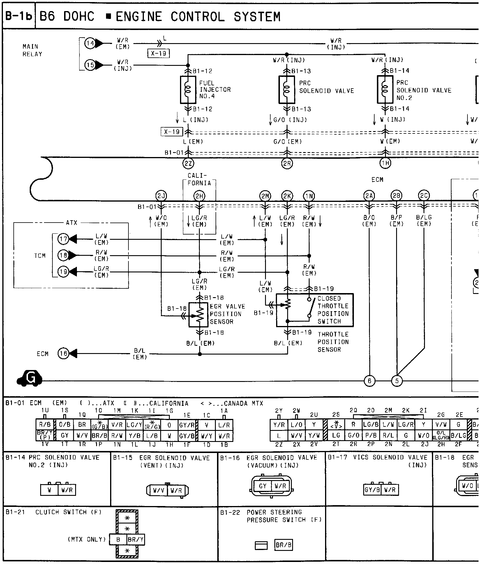
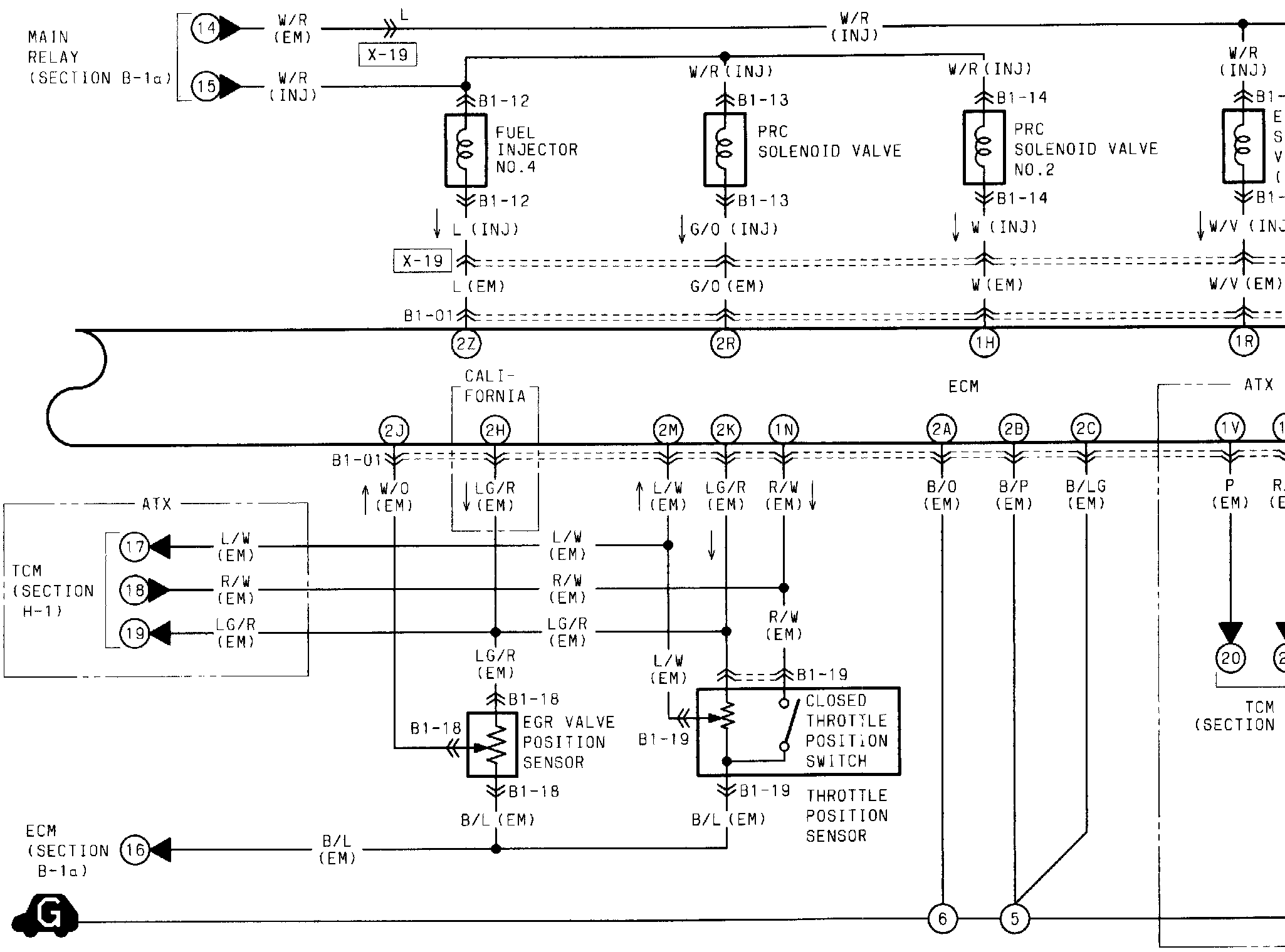
��FEngine Control System B-1B:



�FEngine Control System B-1C:



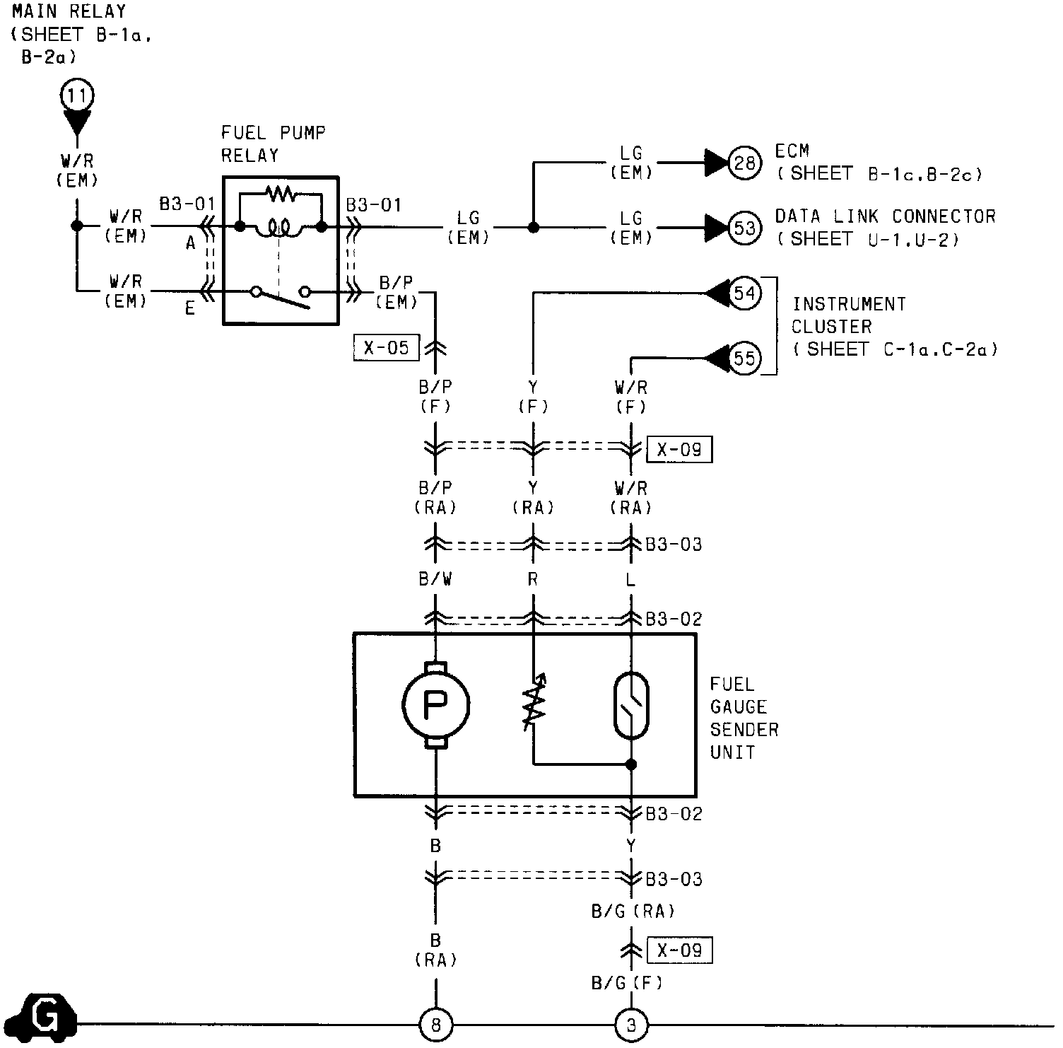
Fuel Control System B-3: