Operation CHARM: Car repair manuals for everyone.
Manuals through 2025 now available!

Our trusted friends have launched a new website named LEMON, which has newer manuals. It also contains all the CHARM manuals.

LEMON is the spiritual successor to CHARM, I recommend you try it!

Link: lemon-manuals.la or lemon-manuals.org.ua

(Some people have issue connecting. LEMON is investigating. For now, use Firefox or change your DNS server)

Or, hide this message: temporarily or permanently

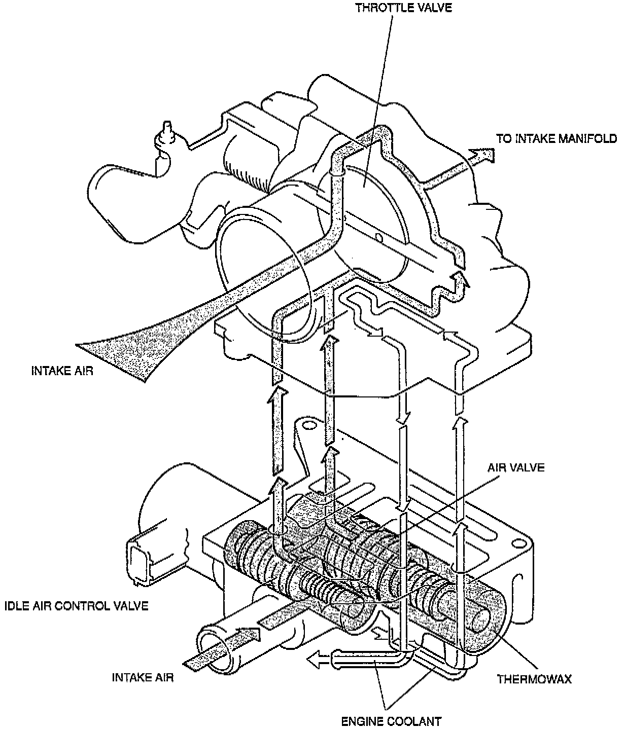
Idle Air Control System




To improve idle smoothness, the IAC system controls the intake air amount by regulating amount of the bypass air that passes through the throttle valve. This system consists of the air valve that functions only when the engine is cold, the idle air control valve that works throughout the entire engine speed range, and the control system.