Operation CHARM: Car repair manuals for everyone.
Manuals through 2025 now available!

Our trusted friends have launched a new website named LEMON, which has newer manuals. It also contains all the CHARM manuals.

LEMON is the spiritual successor to CHARM, I recommend you try it!

Link: lemon-manuals.la or lemon-manuals.org.ua

(Some people have issue connecting. LEMON is investigating. For now, use Firefox or change your DNS server)

Or, hide this message: temporarily or permanently

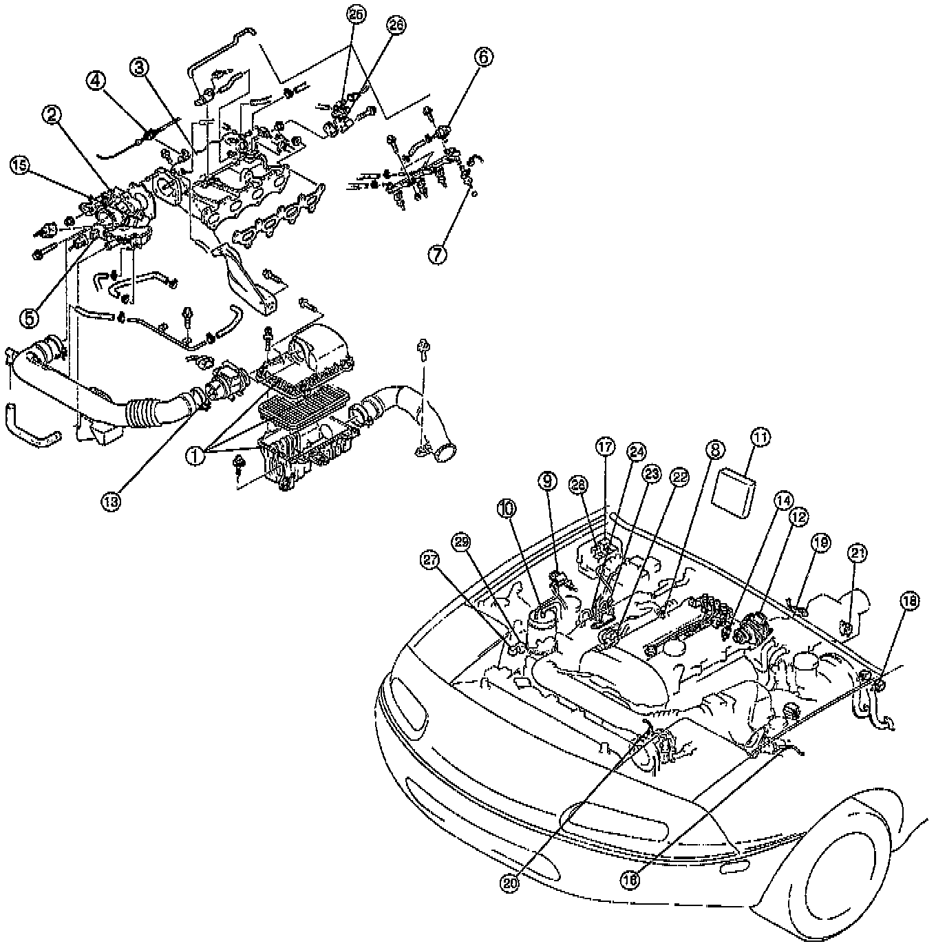
Powertrain Management: Locations

Engine Control System:




1. Air cleaner
2. Throttle body
3. Intake manifold
4. Accelerator pedal and cable
5. Idle air control valve
6. Pressure regulator
7. Fuel injector
8. PCV valve
9. Purge solenoid valve
10. Charcoal canister
11. Engine control module
12. Camshaft position sensor
13. Mass air flow sensor
14. Engine coolant temperature sensor
15. Throttle position sensor
16. Heated oxygen sensor
17. Main relay
18. Clutch switch (MT)
19. Neutral switch (MT)
20. Power steering pressure switch
21. Fuel pump relay
22. PRC solenoid valve
23. EGR solenoid valve (vacuum)
24. EGR solenoid valve (vent)
25. EGR valve position sensor
26. EGR valve
27. NC relay
28. Coolant fan relay
29. Condenser fan relay

Fuel System:




1. Fuel tank
2. Fuel filter
3. Fuel pump
4. Two-way check valve
5. Three-way check valve
6. Fuel vapor valve

Exhaust System:




1. Three way catalytic converter
2. Exhaust components