Operation CHARM: Car repair manuals for everyone.
Manuals through 2025 now available!

Our trusted friends have launched a new website named LEMON, which has newer manuals. It also contains all the CHARM manuals.

LEMON is the spiritual successor to CHARM, I recommend you try it!

Link: lemon-manuals.la or lemon-manuals.org.ua

(Some people have issue connecting. LEMON is investigating. For now, use Firefox or change your DNS server)

Or, hide this message: temporarily or permanently

Attachment II

A. VEHICLE INSPECTION PROCEDURE

1. Verify the vehicle is within the following range:

^ VIN: JM1NA353*SO 600001 - 699999

- If vehicle is within the above VIN range proceed to STEP 2.

- If vehicle is not within the above VIN range, return it to the customer or inventory.





2. Perform a Vehicle Status Inquiry using your MDCS System and inspect vehicle for an Authorized Modification Label SSP40 attached to the drivers side door. Refer to illustration.

Note
^ Be sure to verify the SSP number as the vehicle may have multiple labels.

- If MDCS displays SSP40 N and an Authorized Modification Label is not present, the SSP has not been performed. Proceed to "B. REPAIR PROCEDURE."

- If MDCS displays SSP40 N and an Authorized Modification Label is present, contact the Warranty Department. They will update the vehicle history.

- If MDCS displays SSP40 D and an Authorized Modification Label is not present, proceed to "C. AUTHORIZED MODIFICATION LABEL INSTALLATION."

- If MDCS displays SSP40 D and an Authorization Modification Label is present, the SSP has already been completed. Return the vehicle to the customer or inventory.

- If MDCS does not display SSP40 N or SSP40 D, this SSP does not apply to the vehicle. Return vehicle to the customer or inventory.

B. REPAIR PROCEDURE

1. Record the radio stations presets and disconnect the battery ground cable.

Warning
Failure to disconnect the negative battery terminal may cause electrical short circuit or air bag deployment.





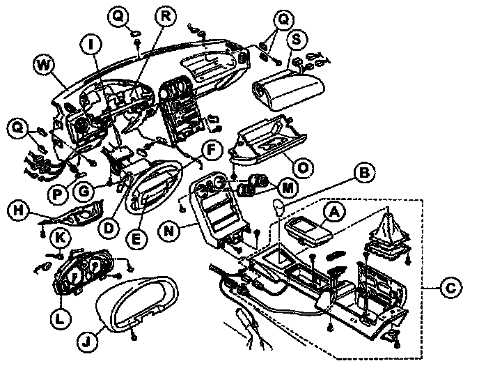
2. Remove dashboard and console in the following order.

A. Remove ashtray. Refer to Workshop Manual for STEPS A-C (section 5 - DASHBOARD AND CONSOLE [Components Removal/Installation]).

B. Remove control lever knob.

C. Remove rear console.

Note
Parking brake must be applied in order to remove rear console.

D. Remove steering column cover (section N - STEERING WHEEL AND COLUMN [Removal/Installation]).

E. Remove driver side air bag module (section T - DRIVER-SIDE AIR BAG MODULE [Removal/Installation]).

Warning
Be sure to observe the service warnings in the Workshop Manual to avoid injury in the event of an accidental deployment (section T - AIR BAG SYSTEM [Component Disassembly]).

F. Remove steering wheel (section N - STEERING WHEEL AND COLUMN [Removal/Installation]).

Caution
For proper steering wheel alignment, apply a reference mark before removal.

G. Remove combination switch (section T - SWITCH [Combination Switch Removal/Installation]).

H. Remove center lower panel (section 5 - DASHBOARD AND CONSOLE [Components Removal/Installation]).

I. Remove two(2) steering shaft bolts then lower steering shaft.

J. Remove meter hood. Refer to section 5 - DASHBOARD AND CONSOLE [Components Removal/Installation] for STEPS J - Q.

K. Disconnect speedometer cable.

L. Remove meter set.

M. Remove center louvers.

N. Remove center panel.

0. Remove glove compartment.

P. Remove bonnet release knob. Remove dashboard center hole cover.

Q. Remove dashboard side covers.

R. Remove control wires from heater and blower unit (section U - HEATER [Adjustment Air Mix Wire]).

Note
^ For proper reinstallation (alignment/position), mark the cable at a reference area before removal.

S. Disconnect the passenger-side air bag connector (section T - AIR BAG SYSTEM [General Procedures]).

T. Remove soft top lock strikers (section S - CONVERTIBLE TOP [Disassembly/Assembly]).

U. Remove sun visors.

V. Remove A-pillar trims (section S - TRIM COMPONENTS [Removal/Installation]).

W. Carefully remove dashboard.

REMOVAL OF SAS-UNIT

1. Remove seal plate between heater unit and cooling unit (if A/C equipped).

2. Remove heater unit (section U - HEATER [Heater Unit Removal/Installation]).

Note
^ It is not necessary to remove the heater hoses from the heater unit.

Caution
^ Be careful not to bend or deform the heater pipes while moving heater unit.

3. Remove SAS-Unit (section T - SAS-UNIT [Removal/Installation]).

INSTALLATION OF NEW SAS-UNIT AND RE-INSTALLATION OF INSTRUMENT PANEL AND CLOCK SPRING

1. Install new SAS-Unit (section T - SAS-UNIT [Removal/Installation]).

Note
^ To secure SAS-Unit in bracket, apply thread-lock to screws before tightening.

Caution
^ Be sure to correctly connect SAS-Unit connector. If connector is not correctly connected, a service code will be stored in memory.

Warning
^ If connector is not correctly connected, the air bag may not function correctly.

2. Reinstall heater unit and re-connect heater and blower control cables in their previously marked positions (section U - HEATER [Adjustment Air Mix Wire]).

3. Reinstall dash in reverse order.

4. Reinstall clock spring and adjust (section T - SWITCH [Combination Switch]).

5. Reconnect battery ground cable.

AIR BAG MODULE INITIALIZATION PROCEDURE AFTER SAS-UNIT REPLACEMENT

1. Start engine and allow to idle a few minutes. The air bag light should remain illuminated.

2. Turn the ignition to the OFF position.

3. Turn the ignition to the ON position.

- If the air bag light illuminates for approximately six (6) seconds, proceed to "C. AUTHORIZATION MODIFICATION LABEL INSTALLATION."

- If the air bag light remains ON, refer to the Workshop Manual (section T - Troubleshooting]) before proceeding to "C. AUTHORIZATION MODIFICATION LABEL INSTALLATION."

4. Check operation of all components (e.g., turn signals, horn, radio) and reset radio presets.

5. Clean interior of vehicle and dash area.

C. AUTHORIZED MODIFICATION LABEL INSTALLATION

Complete an "Authorized Modification Label" and affix it to the drivers side door. Refer back to the illustration under "A. VEHICLE INSPECTION PROCEDURE".