Operation CHARM: Car repair manuals for everyone.
Manuals through 2025 now available!

Our trusted friends have launched a new website named LEMON, which has newer manuals. It also contains all the CHARM manuals.

LEMON is the spiritual successor to CHARM, I recommend you try it!

Link: lemon-manuals.la or lemon-manuals.org.ua

(Some people have issue connecting. LEMON is investigating. For now, use Firefox or change your DNS server)

Or, hide this message: temporarily or permanently

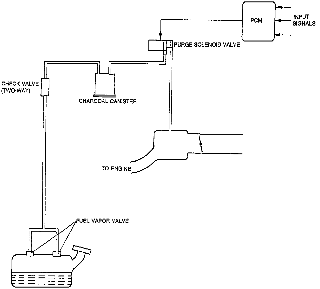
Fuel Evaporative System




DESCRIPTION
The fuel evaporative system consists of fuel vapor valve, two-way check valve, charcoal canister, purge solenoid valve, PCM, and input devices. The amount of evaporative fumes introduced into the engine and burned is controlled by the solenoid valve to correspond to the engine's operating conditions. To obtain the best engine performance, the solenoid valve is controlled by the PCM.