Operation CHARM: Car repair manuals for everyone.
Manuals through 2025 now available!

Our trusted friends have launched a new website named LEMON, which has newer manuals. It also contains all the CHARM manuals.

LEMON is the spiritual successor to CHARM, I recommend you try it!

Link: lemon-manuals.la or lemon-manuals.org.ua

(Some people have issue connecting. LEMON is investigating. For now, use Firefox or change your DNS server)

Or, hide this message: temporarily or permanently

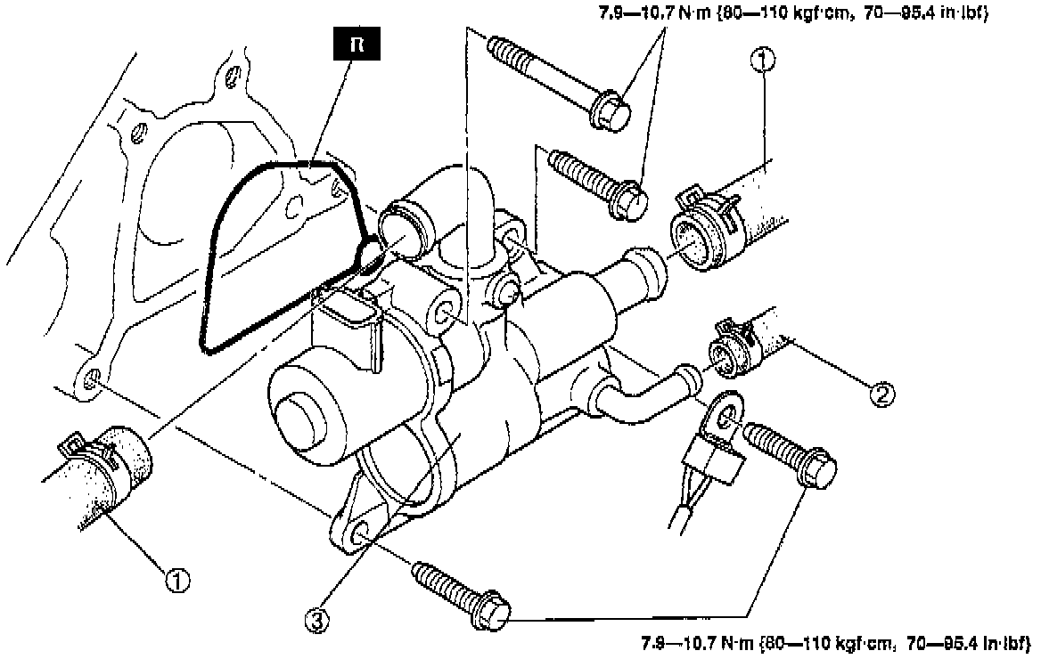
Idle/Throttle Speed Control Unit: Service and Repair


Removal / Installation
1. Disconnect the negative battery cable.
2. Drain the coolant from the radiator.
3. Remove the air charge cooler air duct.
4. Remove the resonance chamber.
5. Remove in the order shown in the figure.
6. Install in the reverse order of removal.
7. Refill the radiator with the specified engine coolant.




1. Air hose
2. Water hose
3. BAC valve