Operation CHARM: Car repair manuals for everyone.
Manuals through 2025 now available!

Our trusted friends have launched a new website named LEMON, which has newer manuals. It also contains all the CHARM manuals.

LEMON is the spiritual successor to CHARM, I recommend you try it!

Link: lemon-manuals.la or lemon-manuals.org.ua

(Some people have issue connecting. LEMON is investigating. For now, use Firefox or change your DNS server)

Or, hide this message: temporarily or permanently

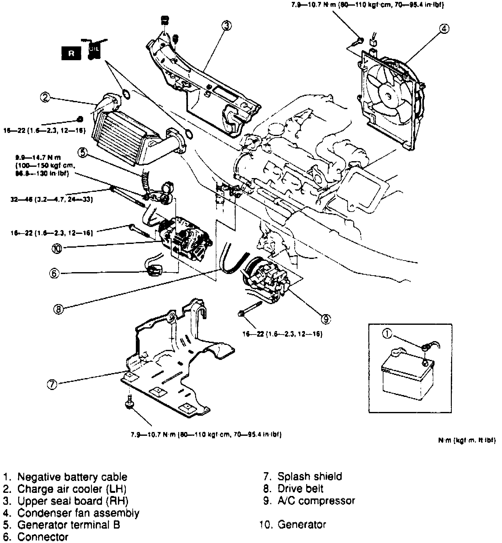
Alternator: Service and Repair

1. On models with anti-theft audio system, refer to Technician Safety Information.
2. Disconnect battery ground cable.
3. Remove lefthand charge air cooler, then righthand upper seal board, Fig. 3.
4. Remove condenser fan assembly.
5. Disconnect alternator, then alternator electrical connector.
6. Remove lefthand splash shield.
7. Remove drive belt.
8. Remove A/C compressor, then, with pipe still connected, position A/C compressor away from generator for easy access to alternator.
9. Remove alternator from under vehicle.
10. Reverse procedure to install, noting the following:
a. Torque lefthand splash shield bolts to 70 - 95 in.lb.
b. Torque condenser fan bolts to 70 - 95 in.lb.
c. Torque lefthand charge air cooler nuts to 12 - 16 ft.lb.

Fig. 3 Alternator Replacement: