Operation CHARM: Car repair manuals for everyone.
Manuals through 2025 now available!

Our trusted friends have launched a new website named LEMON, which has newer manuals. It also contains all the CHARM manuals.

LEMON is the spiritual successor to CHARM, I recommend you try it!

Link: lemon-manuals.la or lemon-manuals.org.ua

(Some people have issue connecting. LEMON is investigating. For now, use Firefox or change your DNS server)

Or, hide this message: temporarily or permanently

Distributor: Service and Repair


DISTRIBUTOR
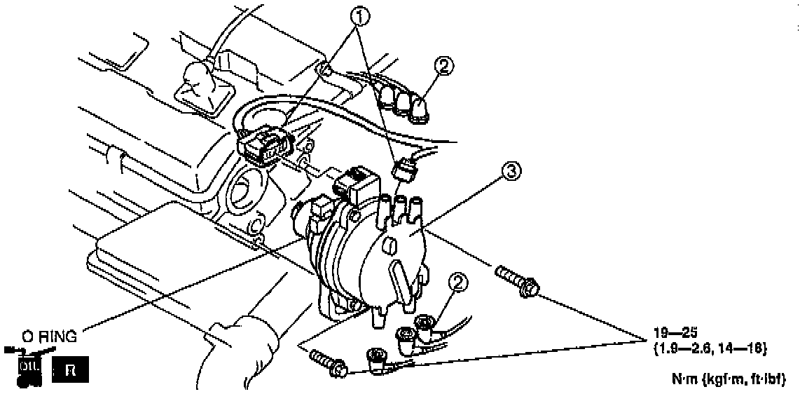
Removal/Installation
1. Disconnect the negative battery cable.
2. Remove in the order shown in the figure.
3. Install in the reverse order of removal.




1. Connector
2. High-tension lead
3. Distributor

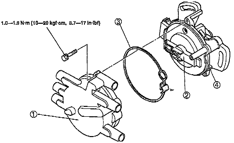
Disassembly / Assembly
1. Disassemble in the order shown in the figure.
2. Inspect all parts and repair or replace if necessary.
3. Assemble in the reverse order of removal.




1. Distributor cap
2. Rotor
3. Packing
4. Ignition control module, ignition coil and camshaft position sensor




Inspection
Distributor cap and rotor
1. Check for corrosion, damage, and cracks.
2. Replace if necessary.