Operation CHARM: Car repair manuals for everyone.
Manuals through 2025 now available!

Our trusted friends have launched a new website named LEMON, which has newer manuals. It also contains all the CHARM manuals.

LEMON is the spiritual successor to CHARM, I recommend you try it!

Link: lemon-manuals.la or lemon-manuals.org.ua

(Some people have issue connecting. LEMON is investigating. For now, use Firefox or change your DNS server)

Or, hide this message: temporarily or permanently

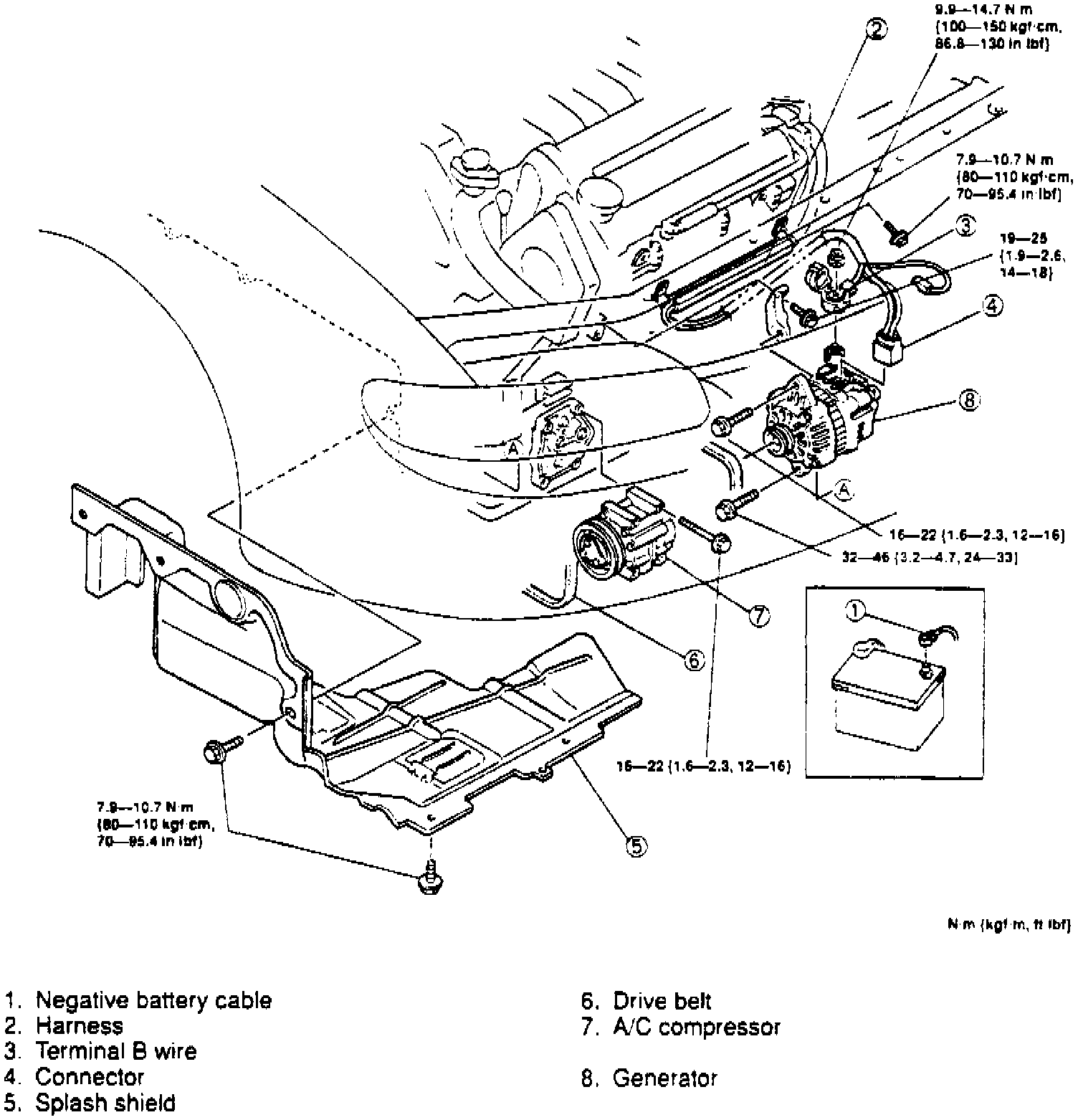
Alternator: Service and Repair

1. On models with anti-theft audio system, refer to Technician Safety Information for system deactivation procedure.
2. Disconnect battery ground cable, then remove electrical harness, Fig. 4.
3. Disconnect terminal B wire, then alternator electrical connector.
4. Remove righthand splash shield.
5. Remove drive belt.
6. Remove A/C compressor; then, with pipe still connected, position A/C compressor away from generator for easy access to alternator.
7. Remove alternator from under vehicle.
8. Reverse procedure to install, noting the following:
a. Torque upper alternator bolt to 12 - 16 ft.lb., then lower alternator bolt to 24 - 33 ft.lb., Fig. 4.
b. Torque A/C compressor bolts to 12 - 16 ft.lb.
c. Torque righthand splash shield bolts to 70 - 95 in.lb.

Fig. 4 Alternator Replacement: