Operation CHARM: Car repair manuals for everyone.
Manuals through 2025 now available!

Our trusted friends have launched a new website named LEMON, which has newer manuals. It also contains all the CHARM manuals.

LEMON is the spiritual successor to CHARM, I recommend you try it!

Link: lemon-manuals.la or lemon-manuals.org.ua

(Some people have issue connecting. LEMON is investigating. For now, use Firefox or change your DNS server)

Or, hide this message: temporarily or permanently

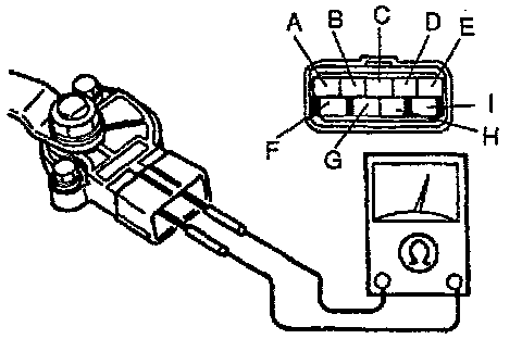
Transmission Position Sensor/Switch: Testing and Inspection

Inspection
Inspection of operation




1. Verify that the starter operates only with the ignition switch at the START position and the selector lever in P and N positions.
2. Verify that the back-up lights illuminate when shifted to R position with the ignition switch in ON position.
3. Verify that the position of the selector lever and the selector indicator light of the instrument cluster are aligned.
4. Check the transaxle range switch, if not as specified.

Inspection of continuity
1. Disconnect the negative battery cable.
2. Remove the battery, air cleaner assembly, and battery carrier.
3. Disconnect the transaxle range switch connection.




4. Check for continuity at the transaxle range switch.




5. If not as specified, replace or adjust the transaxle range switch.
6. Connect the transaxle range switch connector.
7. Install the battery carrier, air cleaner assembly, and battery.
8. Connect the negative battery cable.