Operation CHARM: Car repair manuals for everyone.
Manuals through 2025 now available!

Our trusted friends have launched a new website named LEMON, which has newer manuals. It also contains all the CHARM manuals.

LEMON is the spiritual successor to CHARM, I recommend you try it!

Link: lemon-manuals.la or lemon-manuals.org.ua

(Some people have issue connecting. LEMON is investigating. For now, use Firefox or change your DNS server)

Or, hide this message: temporarily or permanently

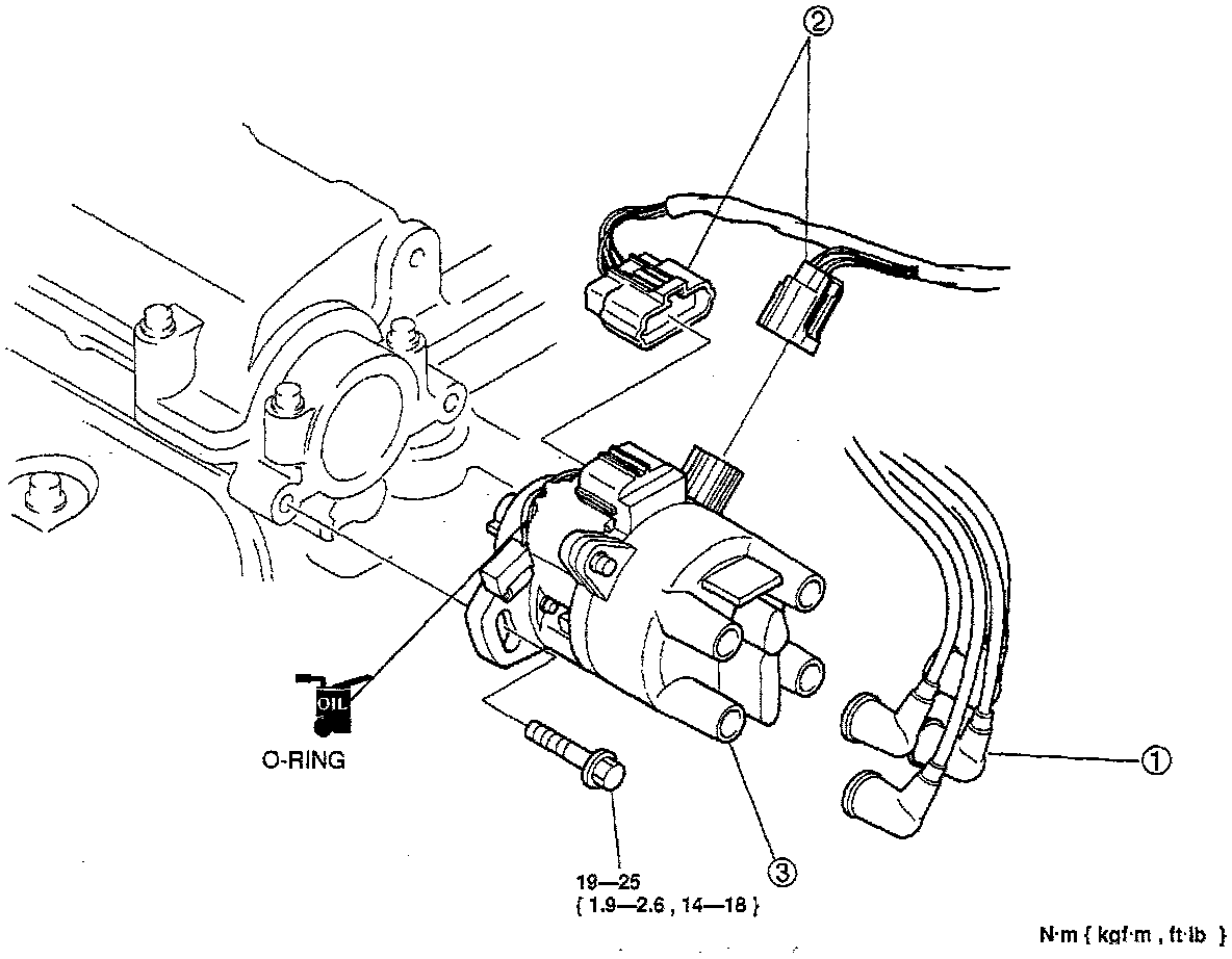
Distributor: Service and Repair

Removal/Installation
1. Disconnect the negative battery cable.
2. Remove the air cleaner.
3. Remove in the order shown in the figure.
4. Install in the reverse order of removal.
5. Adjust the ignition timing.




1. High-tension lead
2. Connector
3. Distributor

Disassembly/Assembly
1. Remove the distributor.
2. Disassemble in the order shown in the figure.
3. Assemble in the reverse order of disassembly.




1. Distributor cap
2. Rotor
3. Cover
4. Packing
5. Distributor
(Incorporates camshaft position sensor, ignition control module, and ignition coil)