Air Bag Control Module: Service and Repair
SAS-Unit
Removal/Installation
Warning:
Handling the SAS-unit improperly can accidentally deploy the air bags, which may seriously injure you. See Air Bags (Supplemental Restraint Systems): Service Precautions, before handling the SAS-unit.
1. Carry out the "Before Servicing" procedure under Air bag, Testing and Inspection: Procedures.
2. Remove the dashboard.
3. Drain the engine coolant.
4. Recover the refrigerant from the system.
5. Remove the cooling unit and heater unit.
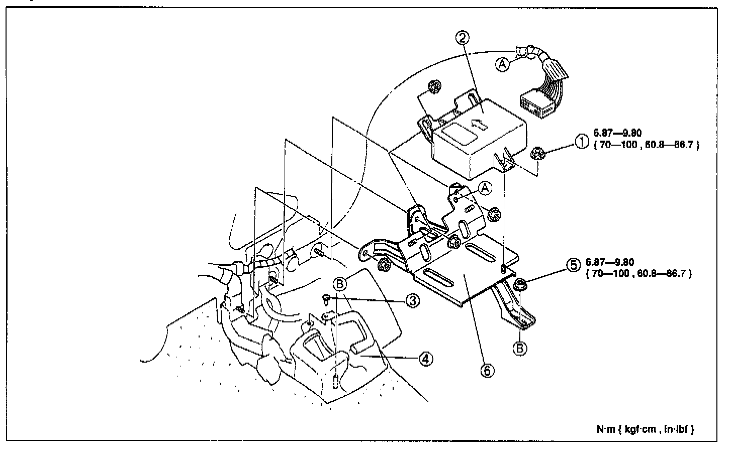
6. Remove in the order shown in the image.
7. Install in the reverse order of removal, referring to "Installation Note".
8. Follow the troubleshooting flowchart to verify that the air bag system is operating normally.
1. Nuts
2. SAS-unit
3. Fastener
4. Rear heat duct
5. Nuts
6. Bracket
Installation Note:
SAS-unit and bracket
1. Locate the SAS-unit and bracket with the arrow on the SAS-unit facing toward the front of vehicle. Install them and tighten the nuts to the specified torque.
2. If the mounting area is damaged, carefully repair the area to its original shape before installation.