Operation CHARM: Car repair manuals for everyone.
Manuals through 2025 now available!

Our trusted friends have launched a new website named LEMON, which has newer manuals. It also contains all the CHARM manuals.

LEMON is the spiritual successor to CHARM, I recommend you try it!

Link: lemon-manuals.la or lemon-manuals.org.ua

(Some people have issue connecting. LEMON is investigating. For now, use Firefox or change your DNS server)

Or, hide this message: temporarily or permanently

Automatic Transaxle Assembly

AUTOMATIC TRANSAXLE ASSEMBLY

Precaution

General notes
1. Select the adjustment shim(s), referring to Bearing Preload.
2. If the drive plates or 2-4 brake band are replaced with new ones, soak the new part in ATF for at least two hours before installation.
3. Before assembly, apply ATF to all seal rings, rotating parts, O-rings, and sliding parts.
4. All O-rings, seals, and gaskets must be replaced with the new ones included in the overhaul kit.
5. Use petroleum jelly, not grease, during reassembly.
6. When it is necessary to replace a bushing, replace the subassembly that includes that bushing.
7. Assemble the housing within 10 minutes after applying sealant, and allow it to cure for at least 30 minutes after assembly before filling the transaxle with ATF.

Assembly

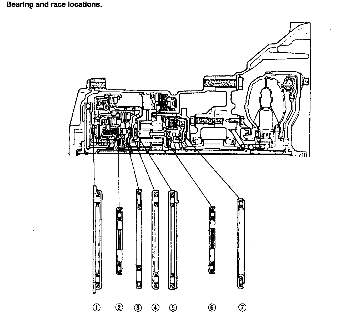
Bearing and race locations

Bearing And Race Locations:





Note
^ The bearing and race at locations 2, 3, 4, 6, and 7 are one-piece units.

Outer diameter of bearing and race

Outer diameter of bearing and race:





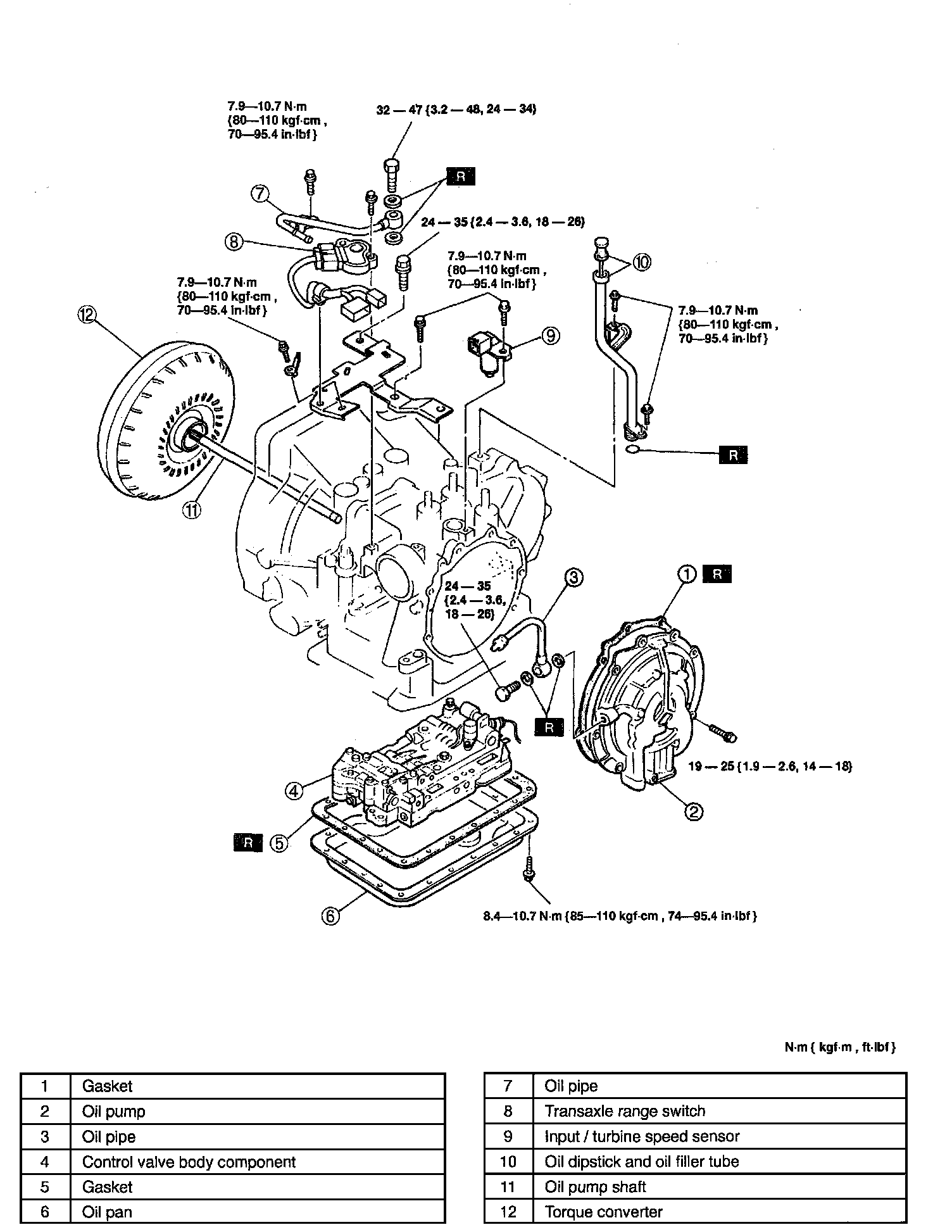
Components

Components (Part 1):




Components (Part 2):




Components (Part 3):




Components (Part 4):





Assembly procedure
1. Align the bearing cover by using guide bolts as shown, and press the bearing cover in. Tighten the new bolts.





2. Press the bearing race into the converter housing.
3. Assemble the SSTs.





4. Install the idler gear and output gear by tapping it in with a plastic hammer.
5. Install the bearing housing.
1) Install the bearing housing on the converter housing, and tighten the bolts evenly and gradually.

Tightening torque
19 - 25 Nm (1.9 - 2.6 kgf-m, 14 - 18 ft-lbf)

2) Align the slot of the idler shaft with the mark on the bearing housing.
3) Tap a new roll pin in by using a pin punch and a hammer.
6. Install the differential.
7. Install the output shell to the output gear, and set the thrust bearing onto the output shell.

Thrust bearing outer diameter
72.1 mm (2.84 in)

8. Apply a light coat of silicone sealant to the contact surfaces of the converter housing and the transaxle case.





9. Install new O-rings into the converter housing.
10. Install the transaxle case on the converter housing, and tighten the bolts evenly and gradually.

Tightening torque
38 - 51 Nm (3.8 - 5.3 kgf-m, 28 - 38 ft-lbf)

11. Install the SST into the differential side gears.





12. Install the turbine shaft and 3-4 clutch.
1) Assemble the turbine shaft and 3-4 clutch.
2) Verify that the thrust bearing is properly installed.
3) Install the turbine shaft and 3-4 clutch into the transaxle case.
13. Install the SST to hold the turbine shaft.





14. Install the internal gear.
1) Install the internal gear to the output shell.
2) Install the snap ring.
15. Install the carrier hub component.
1) Verify that the thrust bearing and bearing race are properly installed.
2) Hold the turbine shaft with one hand to prevent it from rotating.
3) Install the carrier hub component into the 3-4 clutch drum by rotating it.
16. Install the friction plate.
17. Install the one-way clutch 2.
1) Hold the one-way clutch 2 horizontally.
2) Install it by turning the carrier hub component counterclockwise.
3) Install the snap ring.
18. Adjust the band servo piston stem.
^ Without SST step (1)
^ With SST step (2)
1) Without SST
1) Mark the piston stem as shown at the point it exits the transaxle case.





Note
^ Measure several time and calculate the average value.

2) Apply compressed air through the fluid passage with a rubber-tipped air nozzle as shown and measure the piston stem stroke.





3) If not within the specification, adjust it by selecting the proper piston stem from below.





2) With SST
1) Install the servo piston to the SST.
2) Apply ATF to the O-ring removed from the servo retainer.
3) Install the O-ring to the SST.
4) Install the band servo assembly and SST into the transaxle case, then secure it with the snap ring.





5) Set a dial indicator against the piston stem.





6) Apply compressed air through the fluid passage by using a rubber-tipped air nozzle as shown and measure the piston stem stroke.





7) If not within the specification, adjust it by selecting the proper piston stem from below.





8) Remove the band servo then remove the SST. Reinstall the servo retainer.
9) Replace the O-rings with new ones.
10) Install the band servo into the transaxle case and secure it with the snap ring.
19. Install the anchor strut.
20. Install the 2-4 brake band in the transaxle case, and interlock it to the anchor as shown.





21. Install the small sun gear and one-way clutch 1.
1) Verify that the thrust bearing and bearing race are installed in the correct position.





2) Install the small sun gear and one-way clutch 1 while rotating it.
22. Install the clutch component.
1) Verify that the thrust bearing is installed in the correct position.





2) Install the clutch component while rotating it.
23. Measure the height difference between the reverse and forward drum and the transaxle case. If the height is not within the specification, reassemble it beginning with step 17.

Height difference
0.9 mm (0.035 in) max





24. Install a new snap ring.
25. Use the following procedure to adjust the total end play and select a suitable bearing race.
1) Set the thrust bearing onto the clutch component.
2) Remove the previously used race and gasket.
3) Set the thickest bearing race (2.2 mm (0.087 in)) onto the oil pump.
4) Set the oil pump onto the clutch component.
5) Measure clearance A between the transaxle case and the oil pump.





6) Select a suitable bearing race from the chart below.





7) Remove the oil pump.
8) Place the selected bearing race and a new gasket onto the oil pump.
9) Install the oil pump onto the clutch component, and tighten the bolts evenly and gradually.

Tightening torque
19 - 25 Nm (1.9 - 2.6 kgf-m, 14 - 18 ft-lbf)

10) Install the oil pipe.
26. Install the coupler and a new O-ring in the transaxle case.
27. Connect the coupler.
28. Align the manual valve with the pin on the manual plate.
29. Install the control valve body into the transaxle case, and tighten the bolts evenly and gradually.





30. Install a new gasket and oil pan, then tighten the bolts evenly and gradually.

Tightening torque
8.4 - 10.7 Nm
(85 - 110 kgf-cm, 74 - 95.4 in-lbf)

31. Install the input/turbine speed sensor.

Tightening torque
7.9 - 10.7 Nm
(80 - 110 kgf-cm, 70 - 95.4 in-lbf)

32. Install the transaxle range sensor.
33. Adjust the transaxle range sensor.
1) Connect an ohmmeter between terminals (A) and (H).





2) Rotate the manual shaft fully counterclockwise, then return it two notches to the N position.
3) Adjust the switch to the point where there is continuity between the terminals.
4) Tighten the switch.

Tightening torque
7.9 - 10.7 Nm
(80 - 110 kgf-cm, 70 - 95.4 in-lbf)

34. Remove the transaxle from the SST
35. Install a new O-ring and install the oil dipstick and oil filler tube to the transaxle case.

Tightening torque
7.9 - 10.7 Nm
(80 - 110 kgf-cm, 70 - 95.4 in-lbf)

36. Install the oil pump shaft.
37. Carefully install a new O-ring onto the turbine shaft without damaging it.

O-ring inner diameter
20 mm (0.787 in)

38. Drain any ATF remaining in the torque converter.
39. Pour in solvent (approx. 0.50 L (0.53 US qt, 0.44 Imp qt)).
40. Shake the torque converter to clean the inside. Pour out the solvent.
41. Pour in ATF.
42. Install the torque converter in the converter housing while rotating it to align the splines.
43. To ensure that the torque converter is installed accurately, measure distance A between the end of the torque converter and the end of the converter housing.