Operation CHARM: Car repair manuals for everyone.
Manuals through 2025 now available!

Our trusted friends have launched a new website named LEMON, which has newer manuals. It also contains all the CHARM manuals.

LEMON is the spiritual successor to CHARM, I recommend you try it!

Link: lemon-manuals.la or lemon-manuals.org.ua

(Some people have issue connecting. LEMON is investigating. For now, use Firefox or change your DNS server)

Or, hide this message: temporarily or permanently

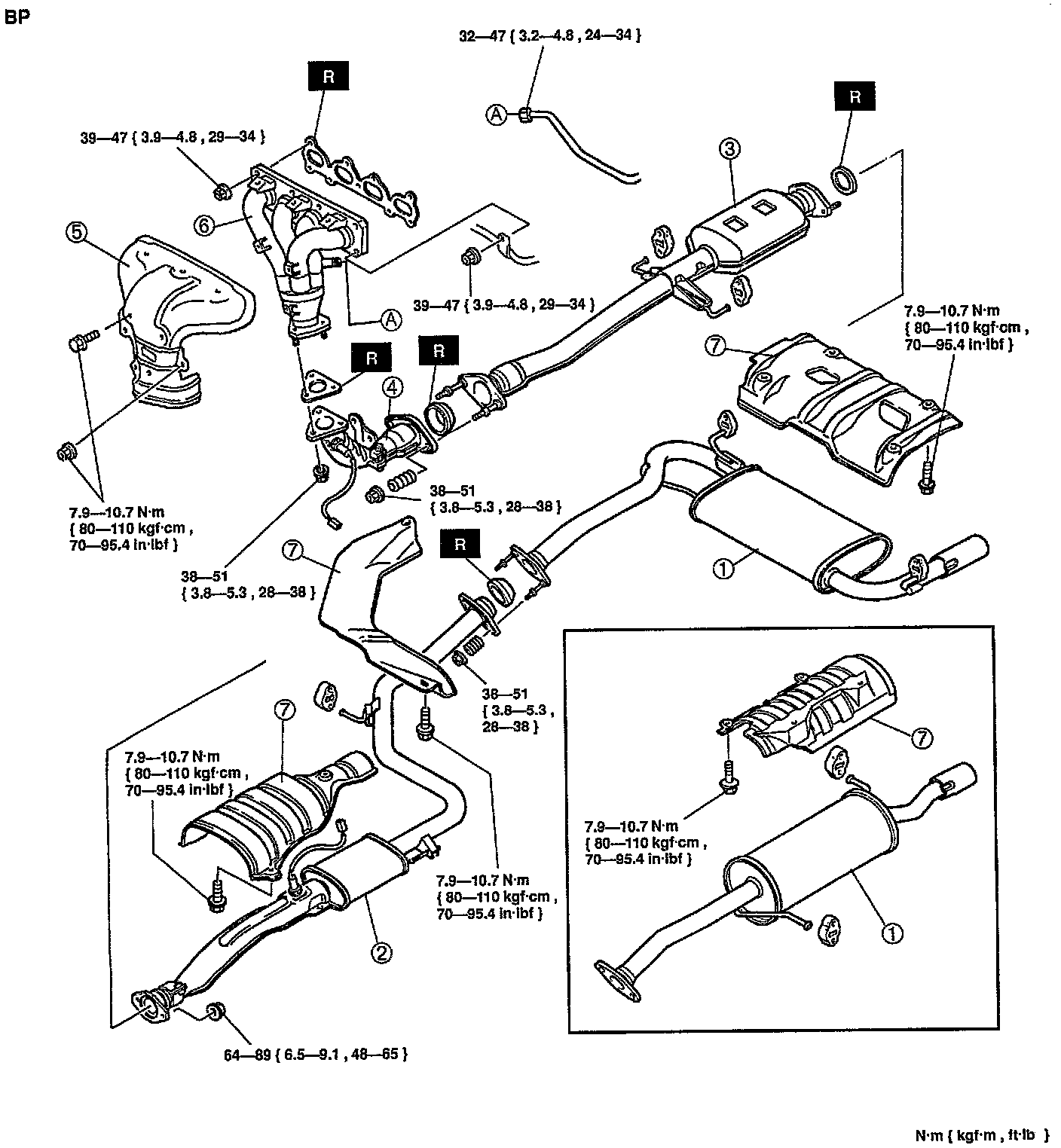
Exhaust System

Removal/Installation
1. Disconnect the negative battery cable.
2. Remove the condenser fan.
3. Remove in the order shown in the figure, referring to Removal note.
4. Install in the reverse order of removal, referring to Installation note.




1. Main silencer
2. Presilencer
3. Three way catalytic converter
4. Front pipe
5. Exhaust manifold insulator
6. Exhaust manifold
7. Insulator

Removal note
Exhaust manifold
1. Remove the air cleaner and disconnect the air hose.




2. Remove the water bypass pipe stay bolt.

Tightening torque:
64-89N-m (48-65 ft-lb)


Installation note
Front pipe




1. Hand tighten bolts and nuts in the order shown.
2. Tighten nut "3".

Tightening torque:
38-51 N-m (28-38 ft-lb)


3. Check for correct alignment at "5" (front pipe and bracket) and at "2" (block and bracket).
4. Check for correct alignment at "6" (hanger bracket and U bolt) then tighten nut "4".

Tightening torque:
10-16 N-m (87-147 in-lb)


5. Verify that "3" (flange and bracket) contacts with "2" (block and bracket) then tighten nut "1".

Tightening torque:
19-25 N-m (14-18 ft-lb)

6. Tighten bolt "2".

Tightening torque:
38-51 N-m (28-38 ft-lb)