Operation CHARM: Car repair manuals for everyone.
Manuals through 2025 now available!

Our trusted friends have launched a new website named LEMON, which has newer manuals. It also contains all the CHARM manuals.

LEMON is the spiritual successor to CHARM, I recommend you try it!

Link: lemon-manuals.la or lemon-manuals.org.ua

(Some people have issue connecting. LEMON is investigating. For now, use Firefox or change your DNS server)

Or, hide this message: temporarily or permanently

Intake Manifold: Service and Repair





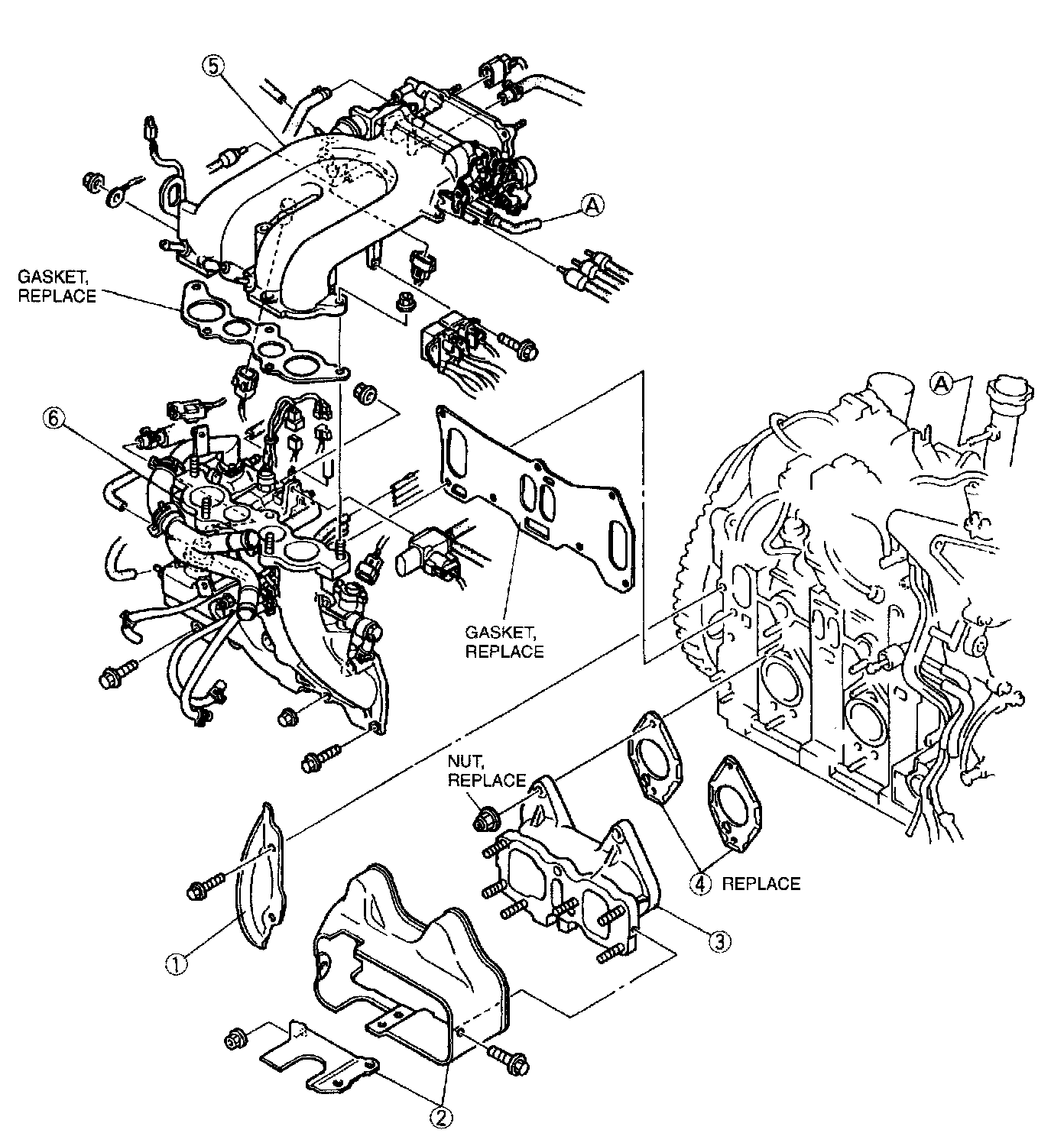
Legend
1. Seal plate
2. Exhaust manifold insulator
3. Exhaust manifold
4. Exhaust manifold gasket
5. Extension manifold assembly
6. Intake manifold assembly





Disassembly Note
Extension manifold assembly


1. Remove the bolts shown in the image.
2. Disconnect the duty solenoid valve from the extension manifold.





3. Disconnect the vacuum hoses and blowby hose shown in the image.
4. Loosen the bolt shown in the image.





5. Disconnect the hoses and connectors shown in the image.





6. Disconnect the connector shown in the image.





7. Remove the bolts and remove the extension manifold assembly.





Intake manifold assembly
1. Disconnect the hose shown in the image.





2. Disconnect the fuel hose and vacuum hose shown in the image.





3. Remove the oxygen sensor connector.





4. Remove the nut shown in the image.
5. Remove the three-way solenoid.





6. Disconnect the vacuum hoses shown in the image.





7. Disconnect the vacuum hoses shown in the image.





8. Disconnect the fuel injector connectors.





9. Disconnect the connectors.





10. Remove the intake manifold assembly.





11. Disconnect the vacuum hose.








ASSEMBLY
Intake manifold assembly

1. install the new intake manifold gasket on the engine.





2. Connect the vacuum hose to the intake manifold.





3. Install the intake manifold.

Tightening torque:
16-22 N.m (1.6-2.3 kgf.m, 12-16 ft.lbf)






4. Connect the fuel injector connectors.





5. Connect the vacuum hoses as shown in the image.





6. Connect the connectors shown in the image.





7. Connect the vacuum hoses as shown in the image.





8. Install the three-way solenoid shown in the image.

Tightening torque:
7.9-10.7 N.m (80-110 kgf.cm, 70-95.4 in. lbf)






9. Mount the oxygen sensor connector.





10. Connect the fuel hose and vacuum hose.





11. Connect the fuel hose shown in the image.