Operation CHARM: Car repair manuals for everyone.
Manuals through 2025 now available!

Our trusted friends have launched a new website named LEMON, which has newer manuals. It also contains all the CHARM manuals.

LEMON is the spiritual successor to CHARM, I recommend you try it!

Link: lemon-manuals.la or lemon-manuals.org.ua

(Some people have issue connecting. LEMON is investigating. For now, use Firefox or change your DNS server)

Or, hide this message: temporarily or permanently

Evaporator Core: Service and Repair

1. Disarm radio coded theft protection as outlined in Technician Safety Information.
2. Discharge and recover A/C refrigerant.
3. Disconnect intake and discharge lines from cooling unit fittings.
4. Remove glove compartment.
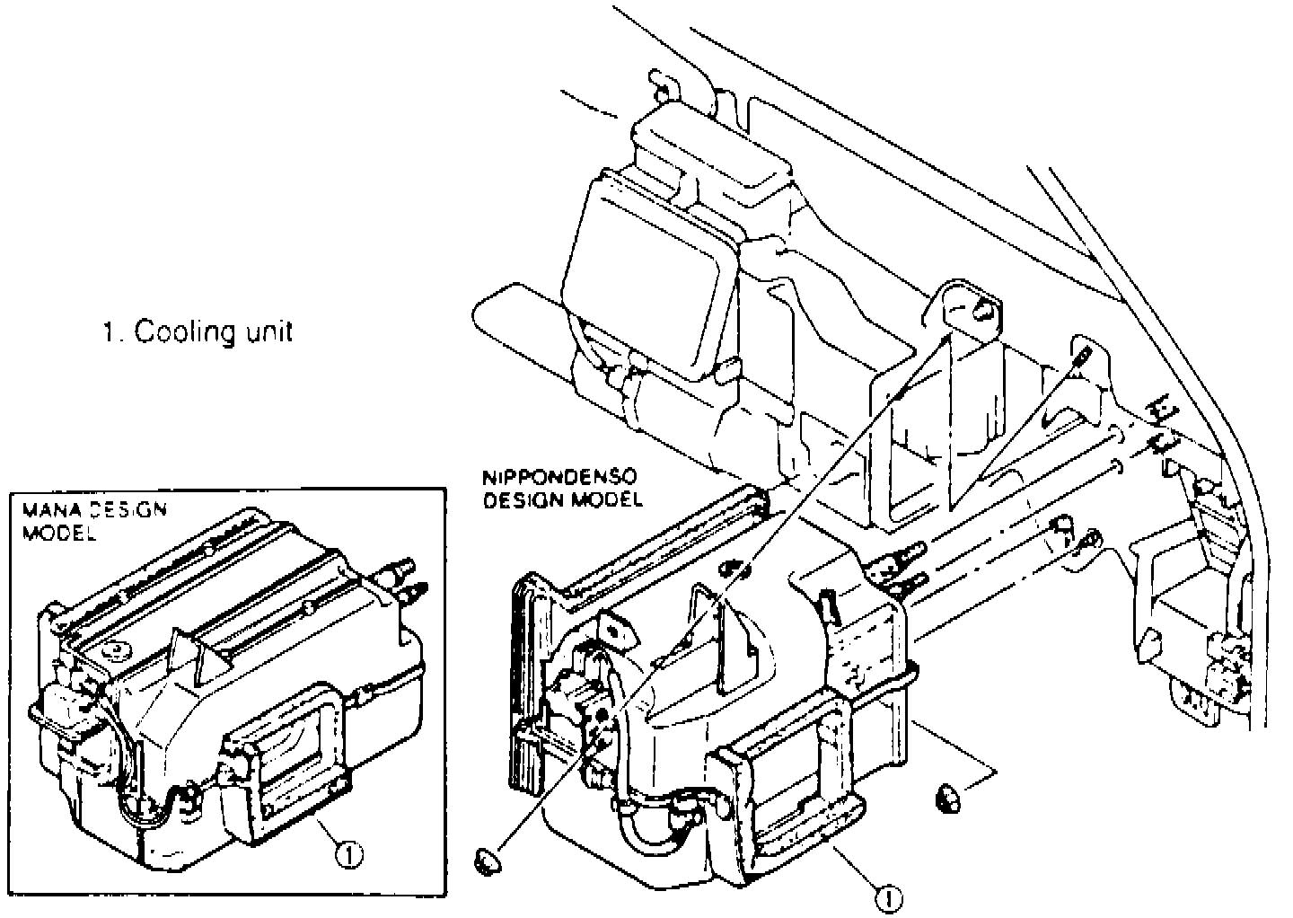
5. Remove cooling unit from under dash structure, Fig. 8.

Fig. 8 Cooling System:





6. Remove evaporator core from cooling unit, Fig. 9.

Fig. 9 Exploded View Of Cooling Unit:





7. Reverse procedure to install. Apply clean compressor oil to O-rings.