Operation CHARM: Car repair manuals for everyone.
Manuals through 2025 now available!

Our trusted friends have launched a new website named LEMON, which has newer manuals. It also contains all the CHARM manuals.

LEMON is the spiritual successor to CHARM, I recommend you try it!

Link: lemon-manuals.la or lemon-manuals.org.ua

(Some people have issue connecting. LEMON is investigating. For now, use Firefox or change your DNS server)

Or, hide this message: temporarily or permanently

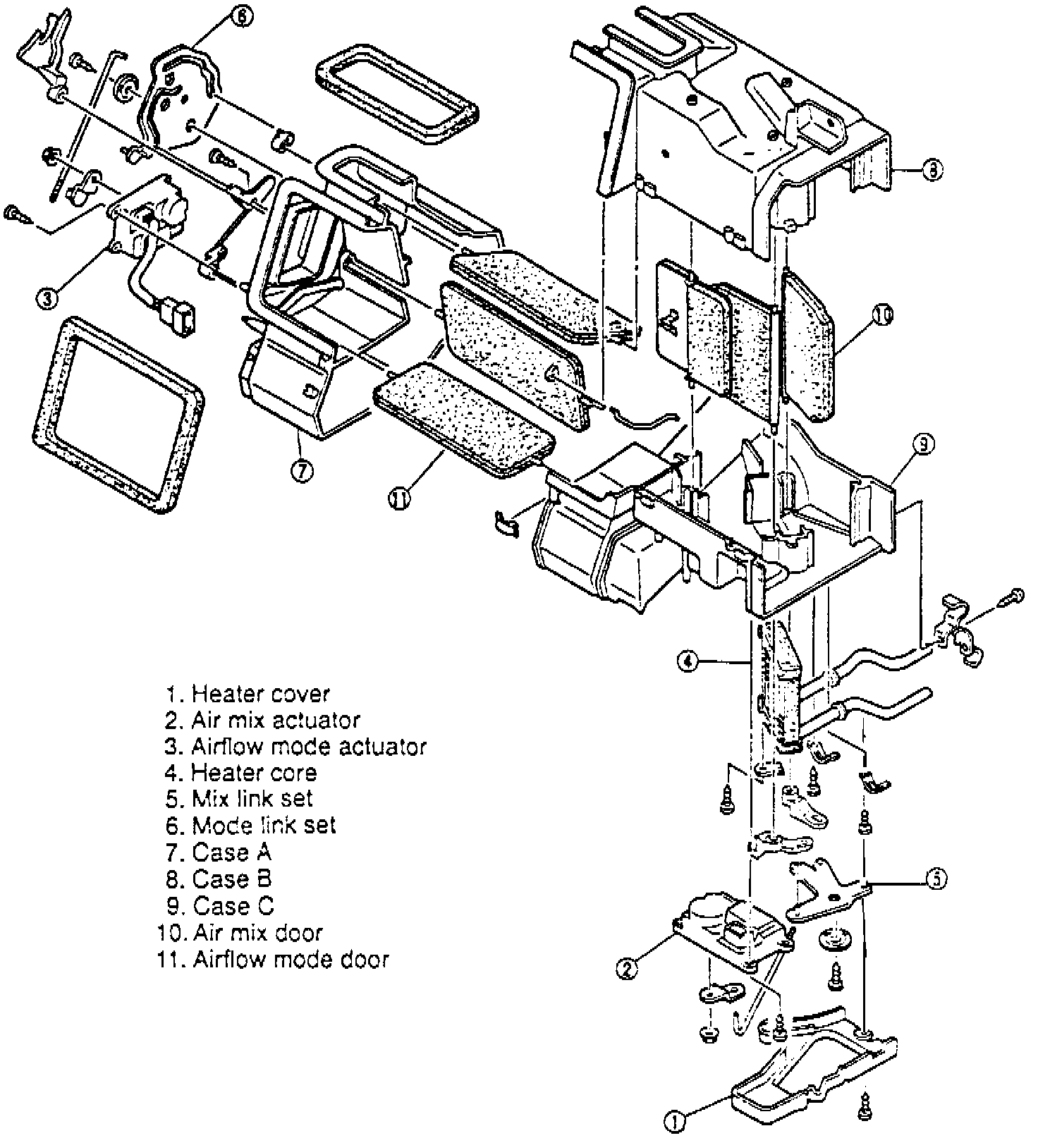
Heater Core: Service and Repair

1. Disarm radio coded theft protection as outlined in Technician Safety Information.
2. Disconnect battery ground cable.
3. Drain coolant, then disconnect heater hoses at heater core.
4. Remove instrument panel as outlined in Dash Panel.
5. Remove heater unit from vehicle, then remove heater core from heater unit, Fig. 7.

Fig. 7 Exploded View Of Heater System:





6. Reverse procedure to install.