Operation CHARM: Car repair manuals for everyone.
Manuals through 2025 now available!

Our trusted friends have launched a new website named LEMON, which has newer manuals. It also contains all the CHARM manuals.

LEMON is the spiritual successor to CHARM, I recommend you try it!

Link: lemon-manuals.la or lemon-manuals.org.ua

(Some people have issue connecting. LEMON is investigating. For now, use Firefox or change your DNS server)

Or, hide this message: temporarily or permanently

Fuel Filter: Service and Repair

WARNING: Fuel vapor is hazardous. It can very easily ignite, causing serious injury and damage. Always keep sparks and flames away from fuel.

Replacement/ High-Pressure Side
The fuel filter must be replaced at the intervals outlined in the maintenance schedule.
1. Before removing the fuel filter, release the fuel pressure from the fuel system.
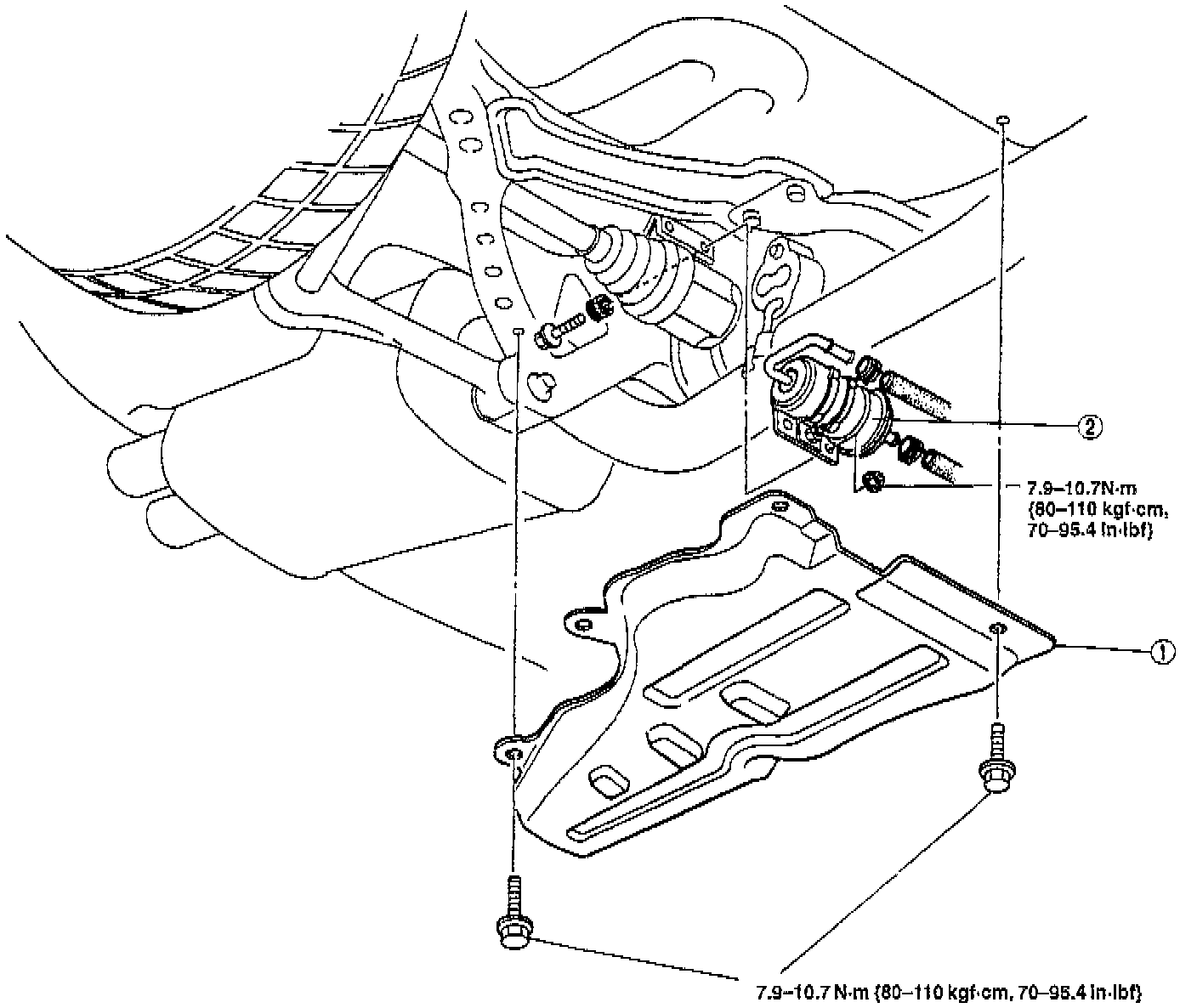
2. Remove in the order shown in the figure below.
3. Install in the reverse order of removal.
4. Verify that the fuel hoses are pushed fully onto the fuel filter nipple.




1. Undercover
2. Fuel filter (High-pressure side)