Operation CHARM: Car repair manuals for everyone.
Manuals through 2025 now available!

Our trusted friends have launched a new website named LEMON, which has newer manuals. It also contains all the CHARM manuals.

LEMON is the spiritual successor to CHARM, I recommend you try it!

Link: lemon-manuals.la or lemon-manuals.org.ua

(Some people have issue connecting. LEMON is investigating. For now, use Firefox or change your DNS server)

Or, hide this message: temporarily or permanently

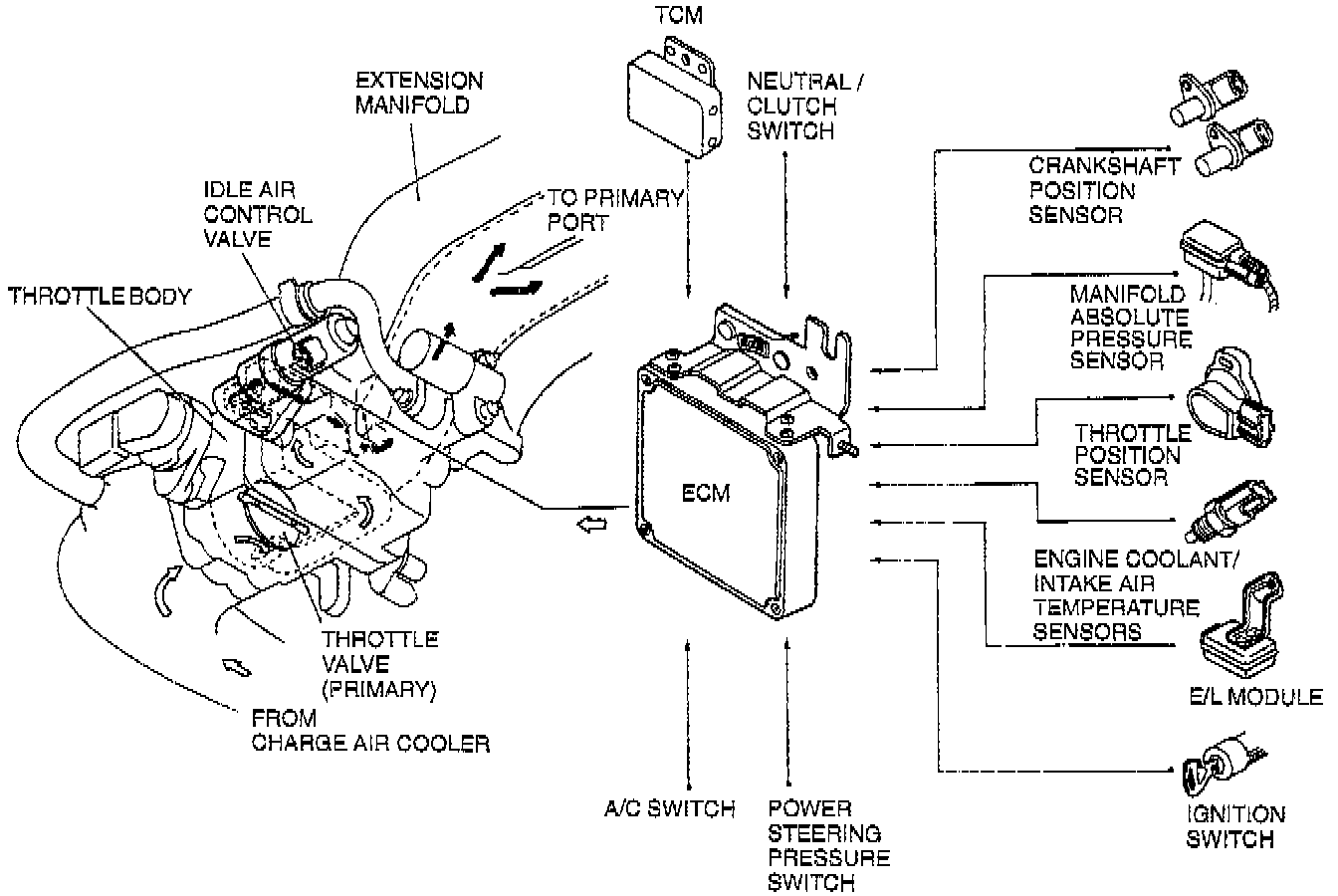
Idle Speed Control System




DESCRIPTION
Idle-speed control system controls the bypass air amount that passes through the throttle valve. The idle-speed control system performs closed loop control so that engine idles smoothly and at the target speed. The system also performs the function of the anti-afterburns valve (AAV), thereby eliminating the AAV and simplifying deceleration control system.