Operation CHARM: Car repair manuals for everyone.
Manuals through 2025 now available!

Our trusted friends have launched a new website named LEMON, which has newer manuals. It also contains all the CHARM manuals.

LEMON is the spiritual successor to CHARM, I recommend you try it!

Link: lemon-manuals.la or lemon-manuals.org.ua

(Some people have issue connecting. LEMON is investigating. For now, use Firefox or change your DNS server)

Or, hide this message: temporarily or permanently

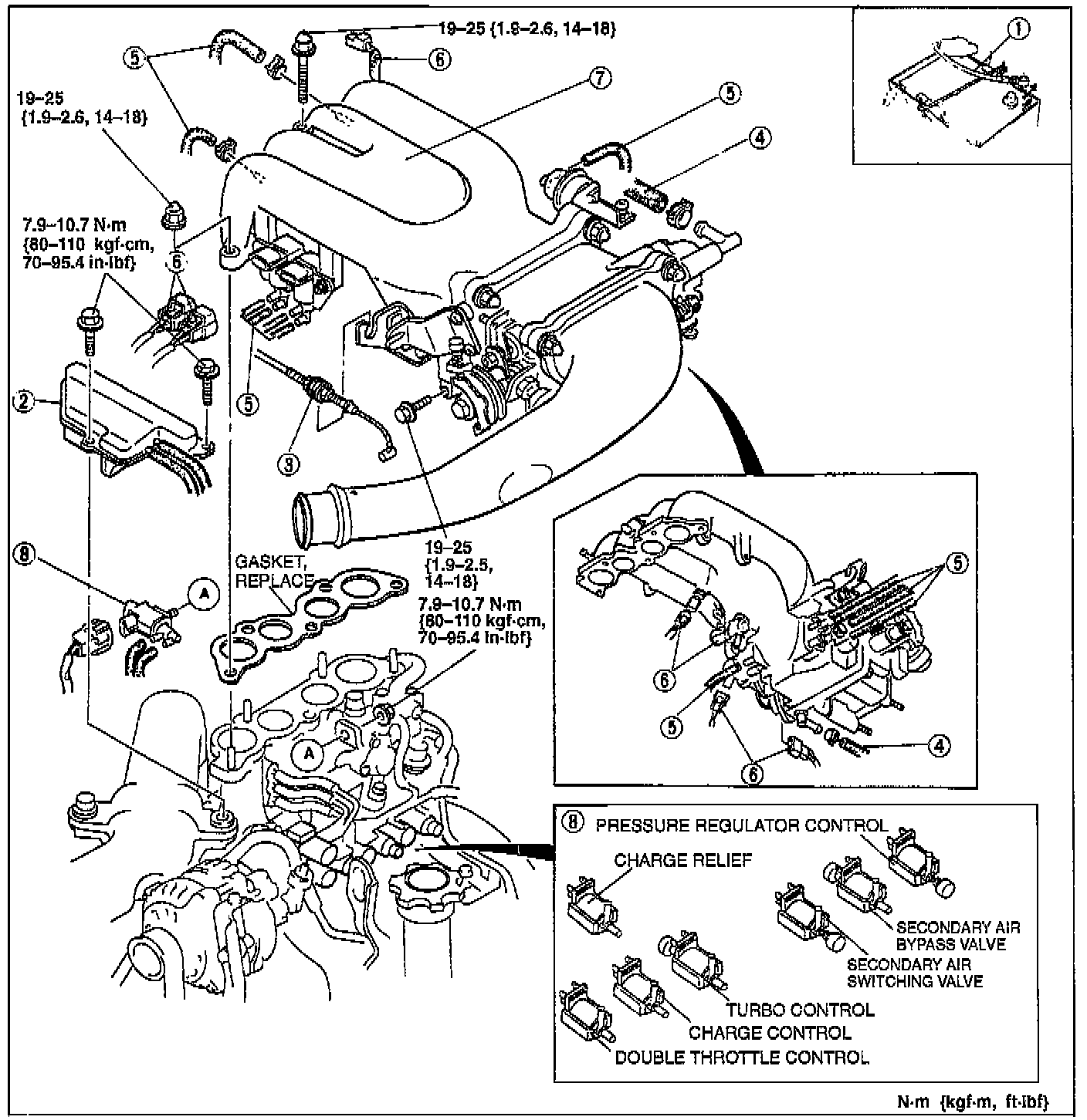
Control System Solenoids

Removal/Installation
1. Remove in the order shown in the figure.
2. Install in the reverse order of removal.




1. Battery cable
2. Pressure chamber
3. Accelerator cable
4. Water hose
5. Vacuum hoses
6. Connector
7. Extension manifold
8. Solenoid valves

Inspection

NOTE: Refer to above image item No.8 for solenoid valve identification.

1. Disconnect the connector.




2. Connect a circuit tester to the solenoid valve.
3. Check the continuity at the terminals.
4. Verify that air flows between each port as below.




5. Connect battery positive voltage and a ground to the terminals of the solenoid valve.
6. Verify that air flows between each port as below.




7. Replace the solenoid valve, if necessary.