Operation CHARM: Car repair manuals for everyone.
Manuals through 2025 now available!

Our trusted friends have launched a new website named LEMON, which has newer manuals. It also contains all the CHARM manuals.

LEMON is the spiritual successor to CHARM, I recommend you try it!

Link: lemon-manuals.la or lemon-manuals.org.ua

(Some people have issue connecting. LEMON is investigating. For now, use Firefox or change your DNS server)

Or, hide this message: temporarily or permanently

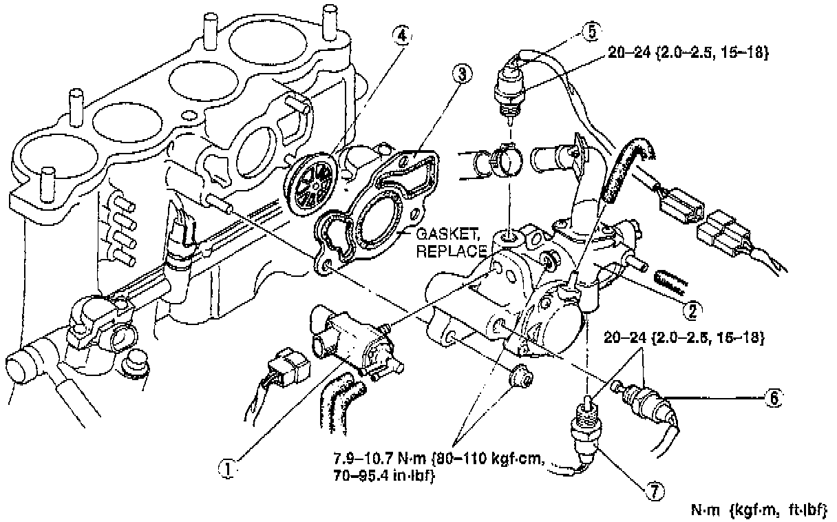
Air Injection Control Valve: Service and Repair

Removal/Installation
1. Remove the extension manifold.
2. Remove in the order shown in the figure.
3. Install in the reverse order of removal.




1. Turbo control solenoid valve
2. Air control valve
3. Gasket
4. Check valve (Port air)
5. Port air bypass solenoid valve
6. Split air bypass solenoid valve
7. Relief2 solenoid valve