Manuals through 2025 now available!
Our trusted friends have launched a new website named LEMON, which has newer manuals. It also contains all the CHARM manuals.
LEMON is the spiritual successor to CHARM, I recommend you try it!
Link:
lemon-manuals.la or
lemon-manuals.org.ua
(Some people have issue connecting. LEMON is investigating. For now, use Firefox or change your DNS server)
Or, hide this message:
temporarily or
permanently
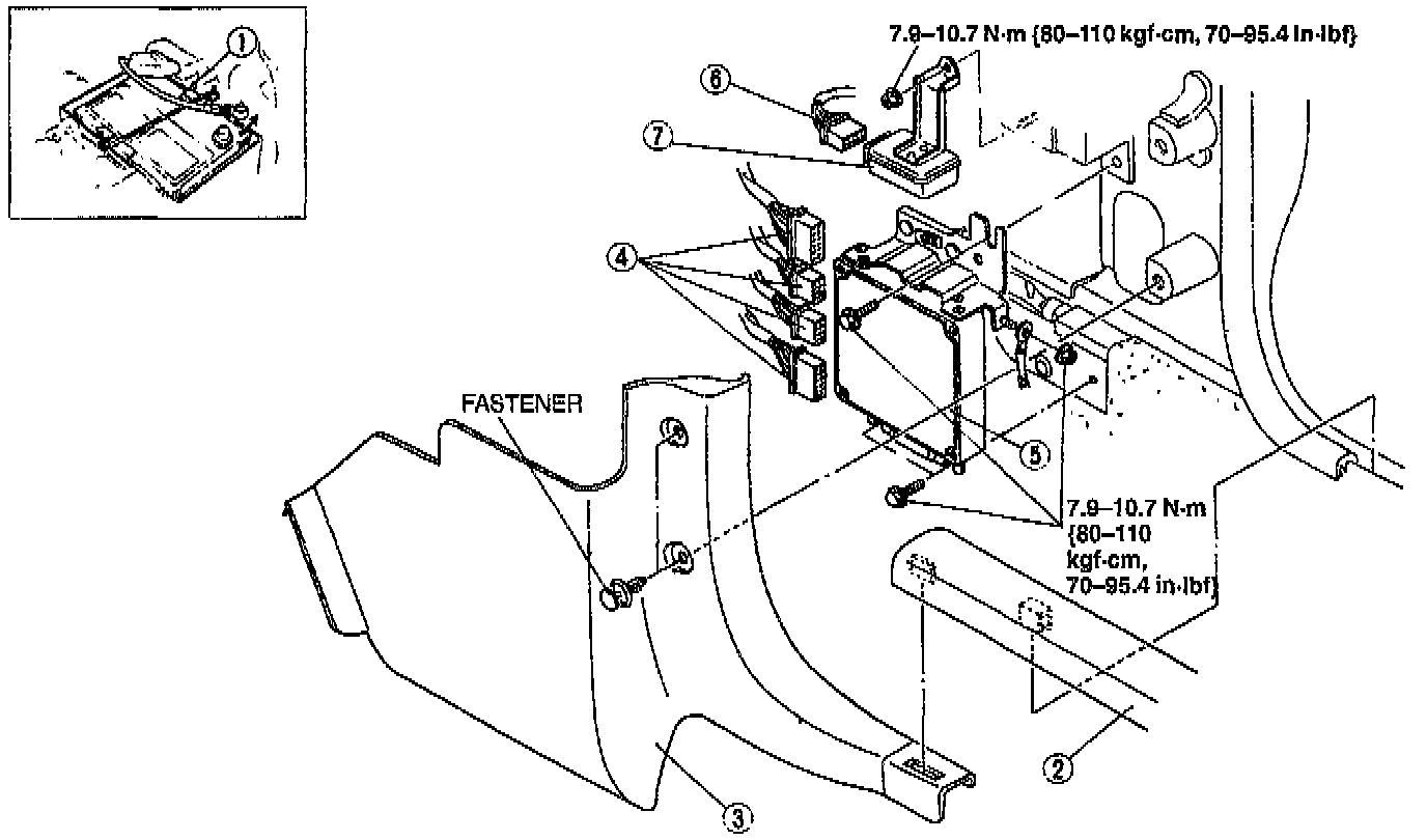
Engine Control Module: Service and Repair
Removal/Installation 1.
Remove in the order shown in the figure.
2.
Install in the reverse order of removal.
1.
Battery cable
2.
Scuff plate
3.
Front side trim
4.
Connectors
5.
ECM
6.
Connector
7.
E/L module