Operation CHARM: Car repair manuals for everyone.
Manuals through 2025 now available!

Our trusted friends have launched a new website named LEMON, which has newer manuals. It also contains all the CHARM manuals.

LEMON is the spiritual successor to CHARM, I recommend you try it!

Link: lemon-manuals.la or lemon-manuals.org.ua

(Some people have issue connecting. LEMON is investigating. For now, use Firefox or change your DNS server)

Or, hide this message: temporarily or permanently

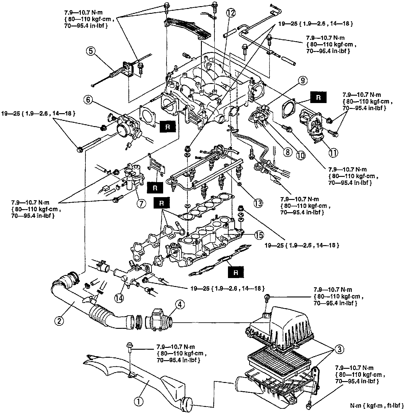
Exploded Views


Intake-Air System Exploded View:




1. Fresh-air duct
2. Air intake hose
3. Air cleaner
4. Mass air flow sensor
5. Accelerator cable
6. Throttle body
7. BAC valve
8. VRIS solenoid valve
9. PRC solenoid valve No.1
10. PRC solenoid valve No.2
11. VRIS shutter valve actuator
12. Dynamic chamber
13. Fuel distributor
14. Water outlet pipe
15. Intake manifold