Operation CHARM: Car repair manuals for everyone.
Manuals through 2025 now available!

Our trusted friends have launched a new website named LEMON, which has newer manuals. It also contains all the CHARM manuals.

LEMON is the spiritual successor to CHARM, I recommend you try it!

Link: lemon-manuals.la or lemon-manuals.org.ua

(Some people have issue connecting. LEMON is investigating. For now, use Firefox or change your DNS server)

Or, hide this message: temporarily or permanently

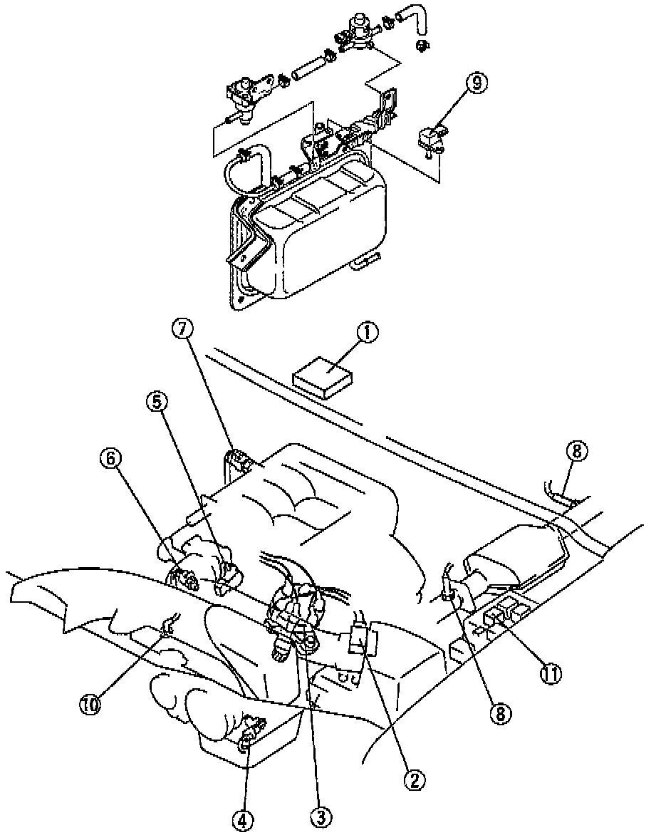
Component Locations





1. Engine control module
2. Mass air flow sensor
3. Camshaft position sensor
4. Crankshaft position sensor
5. Throttle position sensor
6. Engine coolant temperature sensor
7. Intake air temperature sensor
(Dynamic chamber)
8. Heated oxygen sensor
9. Fuel tank pressure sensor
10. Power steering pressure switch
11. Main relay