Operation CHARM: Car repair manuals for everyone.
Manuals through 2025 now available!

Our trusted friends have launched a new website named LEMON, which has newer manuals. It also contains all the CHARM manuals.

LEMON is the spiritual successor to CHARM, I recommend you try it!

Link: lemon-manuals.la or lemon-manuals.org.ua

(Some people have issue connecting. LEMON is investigating. For now, use Firefox or change your DNS server)

Or, hide this message: temporarily or permanently

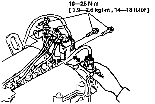
Camshaft Position Sensor: Testing and Inspection







INSPECTION
- Remove the camshaft position sensor.
- Verify that the ignition control module connector is disconnected.
- Connect the camshaft position sensor connector shown in figure.
- Disconnect the fuel injector connector.
- Turn the ignition switch to ON.







- Connect the SSTs (Engine Signal Monitor) to the ECM.
- Rotate the sensor drive by hand and measure the output voltage.
- After the inspection, install the camshaft position sensor.
- Start the engine and adjust the ignition timing to:

10°±1° BTDC

- Tighten the camshaft position sensor lock bolt to the specified torque of:

19 - 26 Nm (14-18 ft.lbs.).