Operation CHARM: Car repair manuals for everyone.
Manuals through 2025 now available!

Our trusted friends have launched a new website named LEMON, which has newer manuals. It also contains all the CHARM manuals.

LEMON is the spiritual successor to CHARM, I recommend you try it!

Link: lemon-manuals.la or lemon-manuals.org.ua

(Some people have issue connecting. LEMON is investigating. For now, use Firefox or change your DNS server)

Or, hide this message: temporarily or permanently

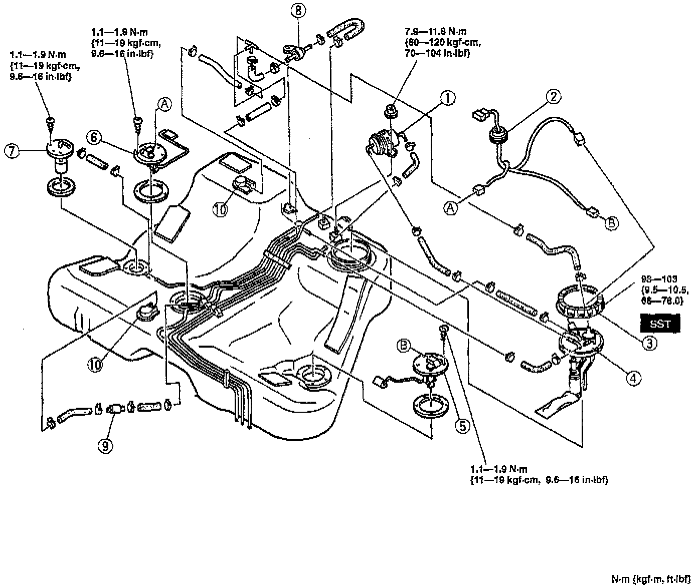
Fuel Tank




1. Fuel filter (high-pressure side)
2. Harness
3. Union nut
4. Fuel pump assembly
5. Fuel gauge sender unit No.1
6. Fuel gauge sender unit No.2
7. Fuel filter (transfer)
8. Check valve (two-way)
9. Check valve (one-way)
10. Fuel vapor valve