Operation CHARM: Car repair manuals for everyone.
Manuals through 2025 now available!

Our trusted friends have launched a new website named LEMON, which has newer manuals. It also contains all the CHARM manuals.

LEMON is the spiritual successor to CHARM, I recommend you try it!

Link: lemon-manuals.la or lemon-manuals.org.ua

(Some people have issue connecting. LEMON is investigating. For now, use Firefox or change your DNS server)

Or, hide this message: temporarily or permanently

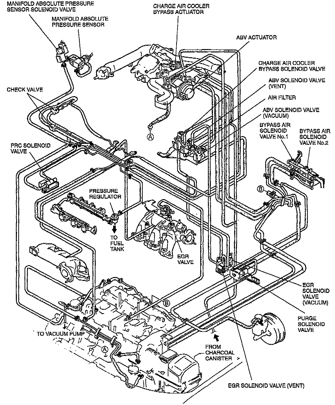
Component Locations

COMPONENT PARTS




1. Engine control module (ECM)
2. Mass air flow sensor
3. Camshaft position sensor
4. Crankshaft position sensor
5. Manifold absolute pressure sensor
6. Throttle position sensor
7. Engine coolant temperature sensor
8. Intake air temperature sensor
9. Intake air temperature sensor
10. Intake air temperature sensor (L/C)
11. Heated oxygen sensor (front, rear simular)
12. Knock sensor
13. EGR valve position sensor
14. Power steering pressure switch
15. Main relay
16. Fuel pump relay
17. Vehicle speed sensor
18. Cooling fan relay
19. Condenser fan relay
20. A/C relay
21. Brake switch
22. Heated oxygen sensor heater relay