Operation CHARM: Car repair manuals for everyone.
Manuals through 2025 now available!

Our trusted friends have launched a new website named LEMON, which has newer manuals. It also contains all the CHARM manuals.

LEMON is the spiritual successor to CHARM, I recommend you try it!

Link: lemon-manuals.la or lemon-manuals.org.ua

(Some people have issue connecting. LEMON is investigating. For now, use Firefox or change your DNS server)

Or, hide this message: temporarily or permanently

Air Bag Control Module: Service and Repair







SAS unit Handling

Installing a connected SAS unit is dangerous. Movement generated during installation can cause the crash sensor inside the unit to send an electrical signal to the air bag modules. This will deploy the air bags, which may result in serious injury. Therefore, before connecting the SAS unit, firmly mount the unit to the vehicle.



GENERAL PROCEDURES

Before Servicing

1. Deactivate the audio antitheft system, it installed.
2. Turn the ignition switch to LOCK.
3. Disconnect the negative battery cable and wait for more than one minute to allow the backup power supply to deplete its stored power.
4. Remove the drive-side undercover and lower panel.





5. Disconnect the orange and blue clock spring connectors.
6. Remove the glove compartment.





7. Disconnect the orange and blue passenger-side air bag module connectors.









SAS UNIT

Removal / Installation



Handling the SAS unit improperly can accidently deploy the air bag, which may seriously injure you. Read SERVICE WARNINGS before handling the SAS unit.


1. Carry out the "Before Servicing" procedure under GENERAL PROCEDURES.
2. Remove the heater unit.





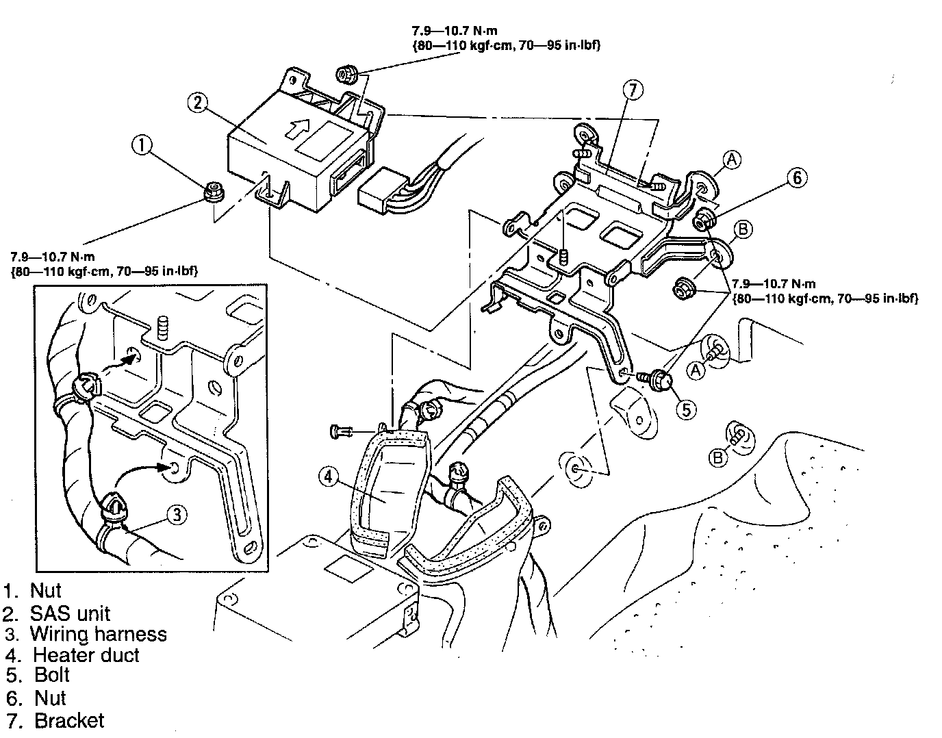
3. Remove in the order shown in the figure.
4. Install in the reverse order of removal.





5. Follow the troubleshooting flowchart to verify that the air bag system is operating normally.



Installation note

SAS unit and bracket






1. If the bracket mounting area is damaged, repair the area to its original shape.
2. Position the SAS unit and bracket with the arrow on the SAS unit facing toward the front of vehicle. Install them and tighten the bolts and nuts to the specified torque.


After Servicing

1. Connect the negative battery cable.
2. Turn the ignition switch to ON.





3. Verify that air bag system warning light illuminates for 4-8 seconds and then goes off.