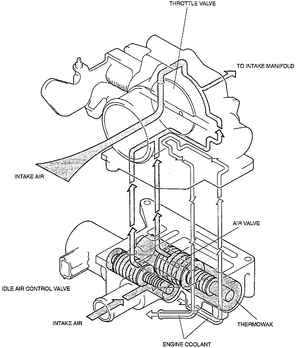
Idle/Throttle Speed Control Unit: Description and Operation
IDLE AIR CONTROL VALVEControls bypass air amount
- Controlled by duty signal from PCM
- Controls idle-up
To improve idle smoothness, the IAC system controls the intake air amount by regulating amount of the bypass air that passes through the throttle valve. This system consists of the air valve that functions only when the engine is cold, the idle air control valve that works throughout the entire engine speed range, and the control system.
AIR VALVE
When cold, supplies bypass air into dynamic chamber.
- Engine speed increased to shorten warm-up period.
- Thermowax type.