Operation CHARM: Car repair manuals for everyone.
Manuals through 2025 now available!

Our trusted friends have launched a new website named LEMON, which has newer manuals. It also contains all the CHARM manuals.

LEMON is the spiritual successor to CHARM, I recommend you try it!

Link: lemon-manuals.la or lemon-manuals.org.ua

(Some people have issue connecting. LEMON is investigating. For now, use Firefox or change your DNS server)

Or, hide this message: temporarily or permanently

Evaporative Emissions System: Service and Repair

REMOVAL/INSTALLATION
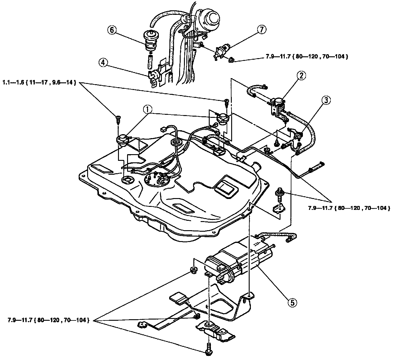
Fuel Tank Area
- Remove the fuel tank.
- Remove in the order shown in the figure.
- Install in the reverse order of removal, referring to Installation note.




1. Rollover valve
2. Tank pressure control valve (TPCV)
3. Fuel tank pressure sensor
4. Check valve (two-way)
5. Charcoal canister
6. Air filter
7. Canister drain cut valve (CDCV)




INSTALLATION NOTE
Rollover Valve, Check Valve (two-way), Tank Pressure Control Valve, Charcoal Canister
Push the ends of the evaporative hoses onto respective fittings.

Specification:
15 - 20 mm (0.6 - 0.78 in) (except charcoal canister)
25 - 30 mm (0.99 - 1.18 in) (charcoal canister)


Check Valve (two-way)
- Push the ends of the evaporative hose onto the fitting.

Specification: 15 - 20 mm (O.60 - 0.78 in)

- Install the check valve (two-way) in the correct direction as shown.