Operation CHARM: Car repair manuals for everyone.
Manuals through 2025 now available!

Our trusted friends have launched a new website named LEMON, which has newer manuals. It also contains all the CHARM manuals.

LEMON is the spiritual successor to CHARM, I recommend you try it!

Link: lemon-manuals.la or lemon-manuals.org.ua

(Some people have issue connecting. LEMON is investigating. For now, use Firefox or change your DNS server)

Or, hide this message: temporarily or permanently

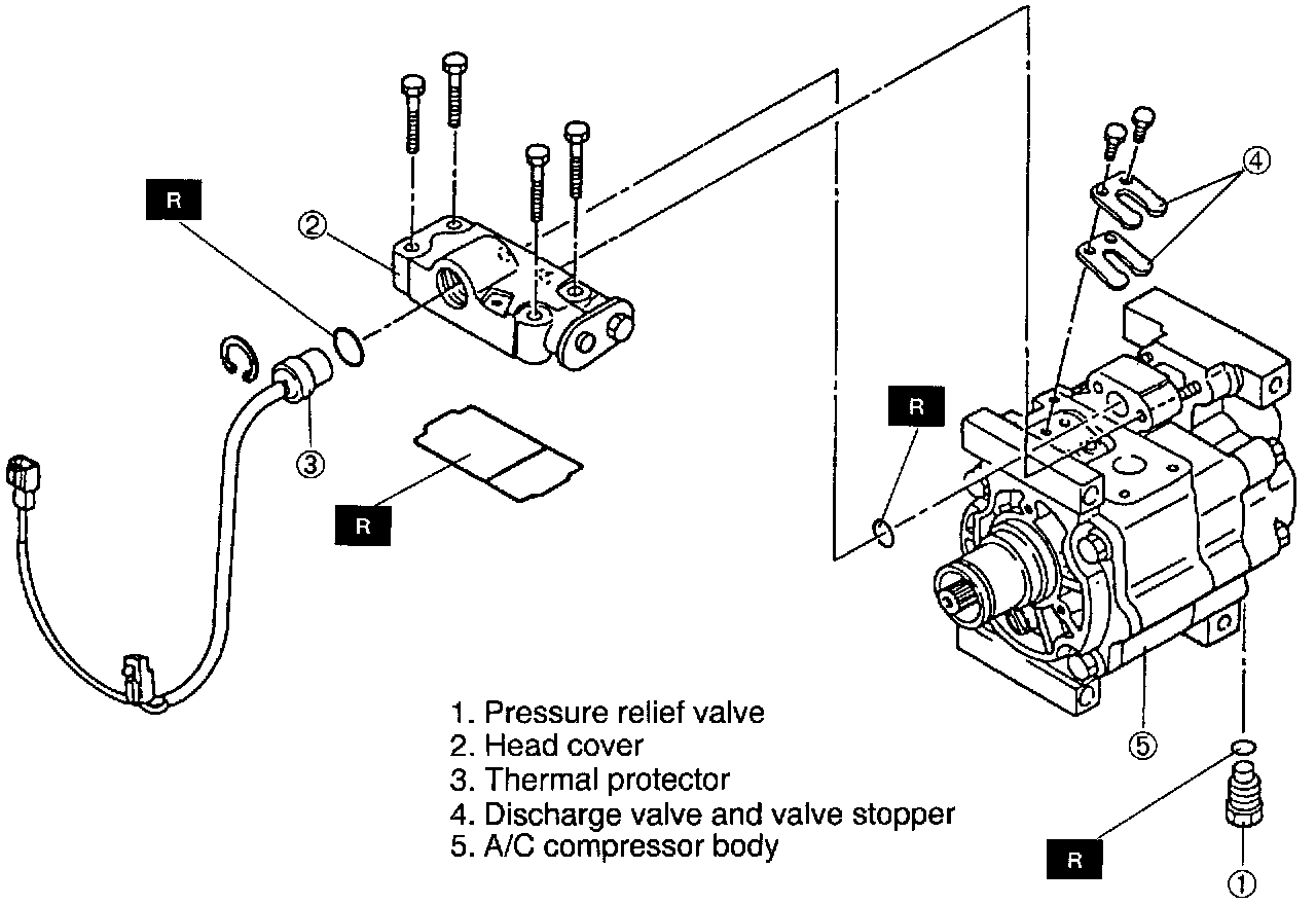
Disassembly and Assembly






Disassembly / Assembly
1. Disassemble in the order shown in the figure, referring to Disassembly note.
2. Assemble in the reverse order of disassembly, referring to Assembly note.





Disassembly note
Thermal Protector

Remove the snap ring and push the protector out from its back side to remove it. Do not pull on the wiring harness.

Assembly note
Discharge Valve And Valve Stopper






1. Replace the O-ring and gasket.
2. Make sure the compressor body and surfaces of the discharge valve and valve stopper are free from foreign material before installing then.
Tightening torque: 4.9 N.m {50 kgf.cm, 43 in.lbf}
3. Plug the suction and discharge ports with the caps.

Thermal Protector





1. Make sure the O-ring is free from foreign material. Apply compressor oil to the O-ring and fit it into the groove securely.
2. Check for continuity between the protector terminals.
3. Install the snap ring so that its chamfered edge faces the thermal protector. Make sure the snap ring is seated securely in its groove.





4. Install the thermal protector so that its two lead wire outlet sections are horizontal, as shown in the figure.

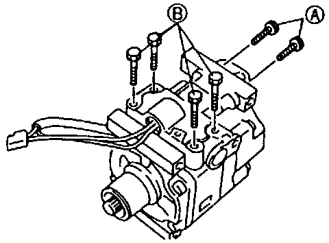
Head cover





1. Replace the O-ring and gasket with new ones. Apply compressor oil to the new O-ring and gasket and assemble them. Make sure the top side of the gasket faces upward.





2. Carefully install the head cover on the compressor body. Tighten socket head bolts A, and then tighten bolts B in a diagonal manner.
Tightening torque
A: 12.7 N.m {130 kgf.cm, 113 in.lbf}
B: 9.81 N.m {100 kgf.cm, 86.8 in.lbf}