Operation CHARM: Car repair manuals for everyone.
Manuals through 2025 now available!

Our trusted friends have launched a new website named LEMON, which has newer manuals. It also contains all the CHARM manuals.

LEMON is the spiritual successor to CHARM, I recommend you try it!

Link: lemon-manuals.la or lemon-manuals.org.ua

(Some people have issue connecting. LEMON is investigating. For now, use Firefox or change your DNS server)

Or, hide this message: temporarily or permanently

Timing Belt: Service and Repair





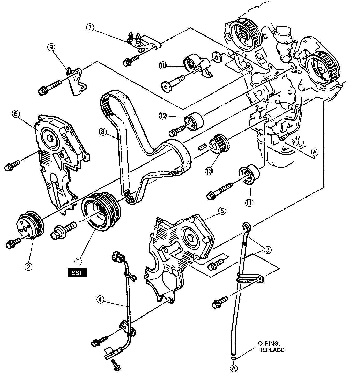
Legend
1. Crankshaft pulley
2. Water pump pulley
3. Dipstick and pipe
4. Crankshaft position sensor
5. Timing belt cover (LH)
6. Timing belt cover (RH)
7. No.3 engine mount bracket
8. Timing belt
9. Timing belt auto tensioner
10. Tensioner pulley
11. No.2 idler pulley
12. No.1 idler pulley
13. Timing belt pulley





Disassembly Note
Crankshaft pulley

1. Hold the flywheel (MTX) or drive plate (ATX) by using the SST.





Caution
^ The crankshaft position sensor rotor is on the rear of the pulley, and can be damaged easily
.

2. Remove the pulley bolt.
3. Remove the crankshaft pulley.





DISASSEMBLY
Timing belt

1. Temporarily install the crankshaft pulley bolt.
2. Turn the crankshaft clockwise to align the timing marks of the pulleys.





3. Mark the timing belt rotation direction for proper reinstallation.





Caution
^ When removing the bolt, hold the tensioner so that the bolt holes are aligned, otherwise the threads can be damaged
.

4. Remove the auto tensioner bolts in the order shown.
5. Remove the timing belt.





Timing belt pulley
1. Remove the timing belt pulley.
2. Remove the timing belt pulley key.

Note
^ If necessary, remove the pulley by using a steering wheel puller.





ASSEMBLY

Timing Belt Pulley
1. Install the timing belt pulley key and the timing belt pulley on the crankshaft.
2. Temporarily tighten the timing belt pulley bolt.





No.2 Idler Pulley
Install the No.2 idler pulley to the cylinder block.

Tightening torque:
38-51 N.m (3.8-5.3 kgf.m, 28-38 ft.lbf)






Timing Belt Auto Tensioner
1. Press in the tensioner rod slowly, using a press.

Caution
^ Do not press the tensioner rod to more than 9,807 N (1,000 kgf, 2,200 lbf). It will damage the tensioner
.





2. Insert a pin to hold the tensioner rod in the body.





3. Install the auto tensioner to the cylinder block and hand tighten the upper tensioner bolt so that the tensioner can move.

Note
^ This must be done to reduce the timing belt resistance when the idler pulley is installed.

4. Temporarily install the tensioner pulley.





Timing Belt
1. Align the matching marks of the pulleys.





2. install the timing belt on the pulleys in the order described below.

(1) Timing belt pulley
(2) No.2 idler pulley
(3) LH camshaft pulley
(4) Tensioner pulley
(5) RH camshaft pulley

3. Verity that there is tension between pulleys (3) and (1), and between pulleys (1) and (5).





4. Install the No.1 idler pulley while applying the pressure on the timing belt.

Tightening torque:
38-51 N.m (3.8-5.3 kgf.m, 28-38 ft.lbf)






5. Push the auto tensioner in the direction of the arrow and install the lower bolt.
6. Tighten the upper and lower tensioner bolts to the specified torque.

Tightening torque:
19-25 Nm (1.9-2.6 kgf.m, 14-18 ft.lbf)






7. Remove the pin from the auto tensioner, and apply tension to the belt.
8. Tighten the tensioner pulley.

Tightening torque:
38-44 N.m (3.8-4.5 kgf.m, 25-32 ft.lbf)






9. Turn the crankshaft clockwise twice, and align the timing marks.
10. Verify that the timing marks are correctly aligned. If not, repeat the procedure from Timing Belt Auto Tensioner.





11. Check the timing belt deflection. If it is incorrect, replace the auto tensioner.

Deflection: 6.0-8.0 mm (0.24-0.31 in)





No.3 engine mount bracket
Install the No.3 engine mount bracket.

Tightening torque:
44-60 N.m (4.4-6.2 kgf.m, 32-44 ft.lbf)






Timing Belt Cover
1. Install the right timing belt cover.

Tightening torque:
7.9-10.7 N.m (80-110 kgf.cm, 70-85.4 in.lbf)






2. Install the left timing belt cover.

Tightening torque:
7.9-10.7 N.m (80-110 kgf.cm, 70-85.4 in.lbf)






Crankshaft Position Sensor
Install the crankshaft position sensor.

Tightening torque:
7.9-10.7 N.m (80-110 kgf.cm, 70-85.4 in.lbf)






Dipstick and Pipe
Install the dipstick and pipe with the clip.

Tightening torque:
7.9-10.7 N.m (80-110 kgf.cm, 70-95.4 in.lbf)






Water Pump Pulley
Install the water pump pulley.

Tightening torque:
7.9-10.7 N.m (80-110 kgf.cm, 70-95.4 in.lbf)





Crankshaft Pulley

1. Hold the flywheel (MTX) or drive plate (ATX) by using the SST.





2. Remove the crankshaft pulley bolt.

Caution
^ Install the crankshaft pulley carefully. The crankshaft position sensor rotor is on the rear of the pulley, and can be damaged easily
.

3. Install the crankshaft pulley onto the crankshaft.
4. Apply clean engine oil to the bolt threads.
5. Tighten the crankshaft pulley.

Tightening torque:
157-166 N.m (16.0-17.0 kgf.m, 116-122 ft.lbf)