Operation CHARM: Car repair manuals for everyone.
Manuals through 2025 now available!

Our trusted friends have launched a new website named LEMON, which has newer manuals. It also contains all the CHARM manuals.

LEMON is the spiritual successor to CHARM, I recommend you try it!

Link: lemon-manuals.la or lemon-manuals.org.ua

(Some people have issue connecting. LEMON is investigating. For now, use Firefox or change your DNS server)

Or, hide this message: temporarily or permanently

Flow Chart No. 2: Power Windows Completely Inoperative

Flow Chart No. 2 - Symptom - Power windows completely inoperative - DTC B1302, B1398, B1404, B1405, B1408, B1410 and B1478.

Step 1
Preliminary checks.




1. Check fuse.
2. Check connections for clean, tight fit and loose or damaged wires.




3. Are connections and wiring OK?

Step 2
On-demand self test.




1. Connect NGS Tester 49 T088 0A0 to data link connector (DLC).
2. Retrieve continuous DTCs.




3. Perform on-demand self test.




4. Are any DTCs received?

Step 3
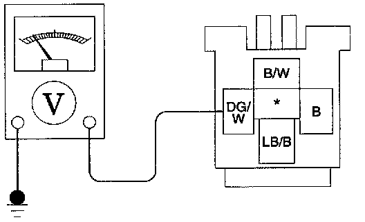
Check DG/W circuit.




1. Check for battery voltage on DG/W circuit at power window relay.




3. Is battery voltage present?

Step 4
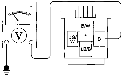
Check B/W circuit for battery voltage.




1. Check for battery voltage on B/W circuit between window relay and fuse panel (fuse 12, 10 A).




3. Is battery voltage present?

Step 5
Check open circuit.
1. Check for open in B/W circuit between fuse panel and power distribution box.




2. Is circuit OK?

Step 6
Check power to fuse.




1. Check for battery voltage to fuse 5 (20 A) in power distribution box.




2. Is battery voltage present?

Step 7
Check for ground short.
1. Check for ground short in circuit between fuse panel and power distribution box.




2. Is circuit OK?

Step 8
Check B/W circuit.
1. Check for ground short in B/W circuit between fuse panel and window relay.




2. Is circuit OK?

Step 9
Check for open in circuit.
1. Check for open in LB/B circuit between window relay and power window main switch.




2. Is circuit OK?

Step 10
Check for ground short in circuit.
1. Check for ground short in LB/B circuit between window relay and power window main switch.




2. Is circuit OK?

Step 11
Check R circuit for open.
1. Disconnect battery ground cable.

NOTE
^ Some abnormal drive conditions may occur after battery has been disconnected and reconnected. The vehicle may need to be driven 16 km (10 miles) or more for the PCM to relearn its adaptive strategy.

2. Check for open in R circuit between one-touch relay and driver side window motor.




3. Is circuit OK?

Step 12
Check one-touch relay.
1. Disconnect battery ground cable.

NOTE
^ Some abnormal drive conditions may occur after battery has been disconnected and reconnected. The vehicle may need to be driven 16 km (10 miles) or more for the PCM to relearn its adaptive strategy.

2. Check one-touch relay for shorted closed contacts.




3. Is one-touch relay OK?

Step 13
Check for open in W/B circuit.
1. Check for open in W/B circuit between driver side window motor and master window regulator control switch.




2. Is circuit OK?

Step 14
Check T/LB circuit.
1. Disconnect battery ground cable.

NOTE
^ Some abnormal drive conditions may occur after battery has been disconnected and reconnected. The vehicle may need to be driven 16 km (10 miles) or more for the PCM to relearn its adaptive strategy.

2. Check for open in T/LB circuit between power window main switch and one-touch relay.




3. Is circuit OK?