Operation CHARM: Car repair manuals for everyone.
Manuals through 2025 now available!

Our trusted friends have launched a new website named LEMON, which has newer manuals. It also contains all the CHARM manuals.

LEMON is the spiritual successor to CHARM, I recommend you try it!

Link: lemon-manuals.la or lemon-manuals.org.ua

(Some people have issue connecting. LEMON is investigating. For now, use Firefox or change your DNS server)

Or, hide this message: temporarily or permanently

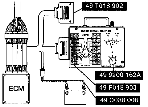
With SST-Engine Signal Monitor

Using SSTs (Engine Signal Monitor)
1. Remove the Powertrain Control Module (PCM).




2. Connect the SSTs (Monitor, Engine Signal and Adapter Harness) to the PCM.
3. Warm up the engine to normal operating temperature.




4. Measure the voltage at PCM terminals 2k and 3C.
5. If not as specified, inspect the following.
(1) Intake-air system
(2) Fuel system
(3) On-board diagnostic system

6. If these systems are OK, replace the heated oxygen sensor.